EasyManua.ls Logo

YILKAR YS 50 - Wiring and Circuit Diagram

Default Icon
Print Icon
To Next Page IconTo Next Page
To Next Page IconTo Next Page
To Previous Page IconTo Previous Page
To Previous Page IconTo Previous Page
Loading...
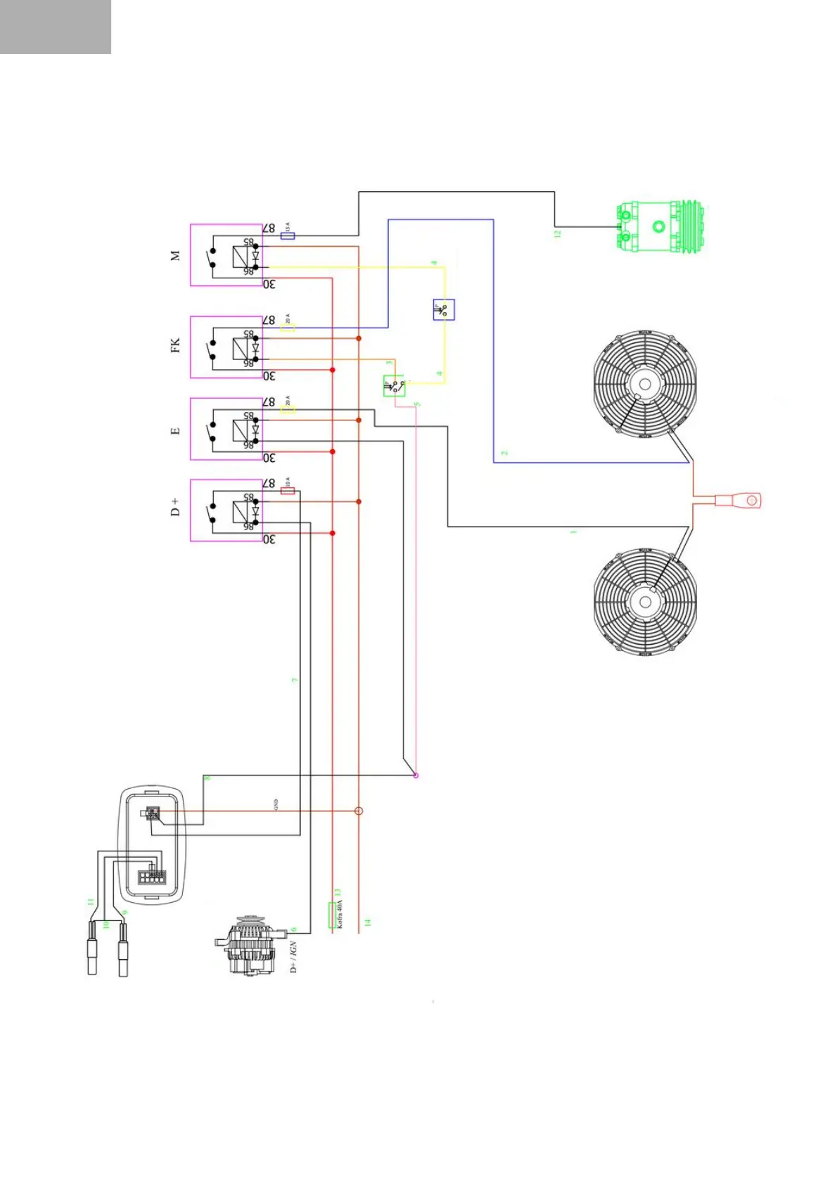
Dış Sıcaklık Sensörü
(-) Şase GND
4 YOLLU MÜŞÜR
ALTERNATOR
KOMPRESÖR
EVAPORATÖR FAN
İç Sıcaklık Sensörü
+12V BATARYA
ALÇAK BASINÇ MÜŞÜRÜ
IN THE AIR CONDITIONER
4.6.2 Wrng and Crcut Dagram
64
OUTDOOR TEMPERATURE
SENSOR
INTERNAL TEMPERATURE
SENSOR
COMPRESSOR
FOUR-WAY SWITCH
CONDANSER FAN
LOW PRESSURE SENSOR
EN