EasyManua.ls Logo

Zavio B6330 - Page 3

Zavio B6330
16 pages
Print Icon
To Next Page IconTo Next Page
To Next Page IconTo Next Page
To Previous Page IconTo Previous Page
To Previous Page IconTo Previous Page
Loading...
2
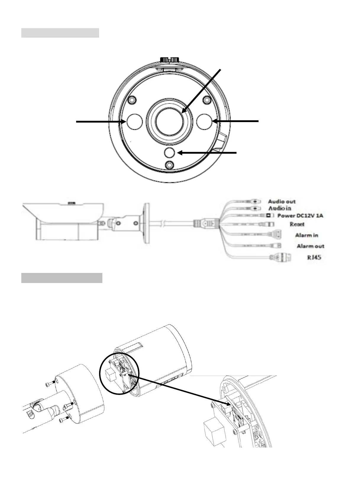
Physical overview
Micro-SD Card Slot
The micro-SD card slot is built inside the housing. Remove the three screws of the
back housing as below No.1, and you’ll see the micro-SD card slot.
IRLED
Lens
LightSensor
IRLED

Related product manuals