EasyManua.ls Logo

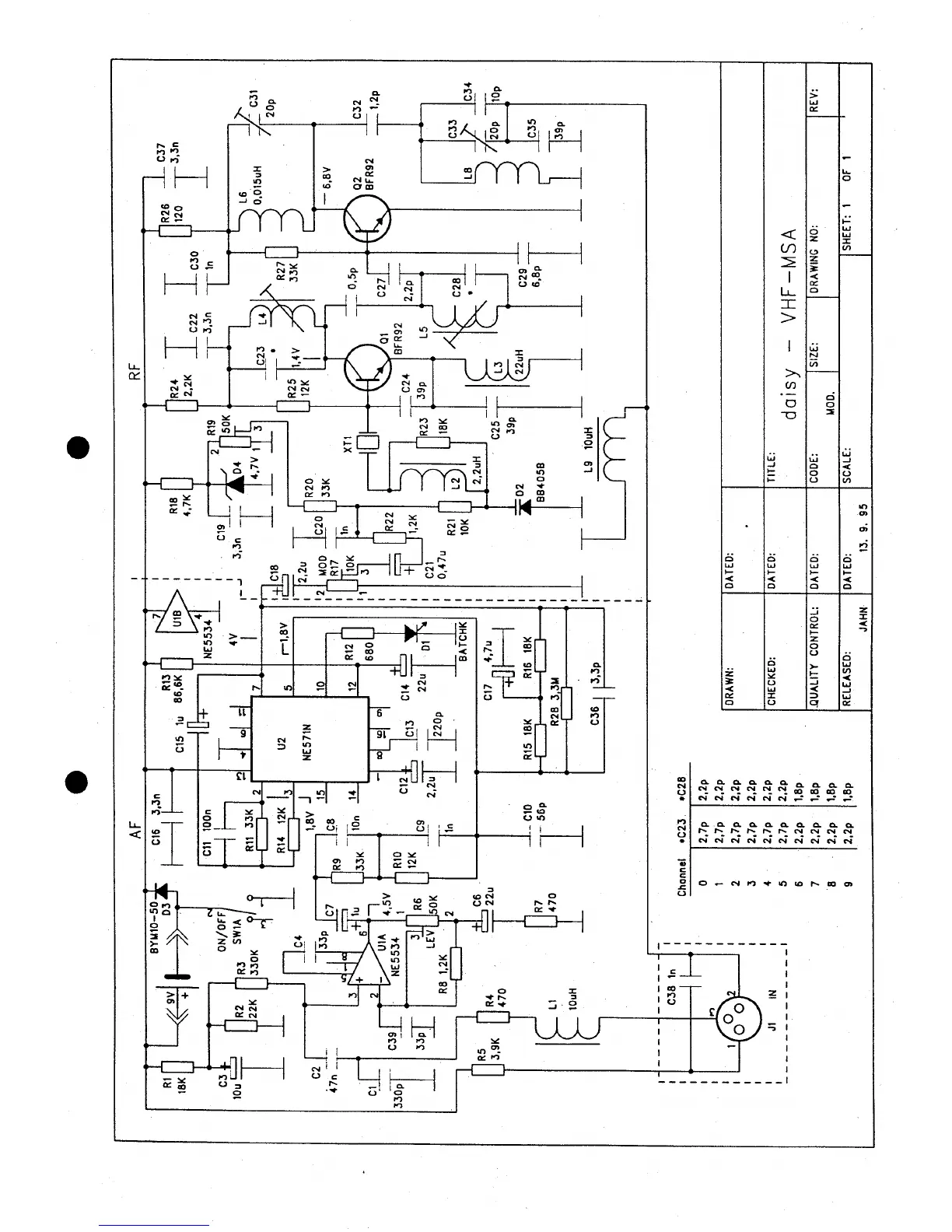
Zeck Audio DS1 - VHF-MSA Schematic

Default Icon
6 pages
Print Icon
To Previous Page IconTo Previous Page
To Previous Page IconTo Previous Page
Loading...

Related product manuals