EasyManua.ls Logo

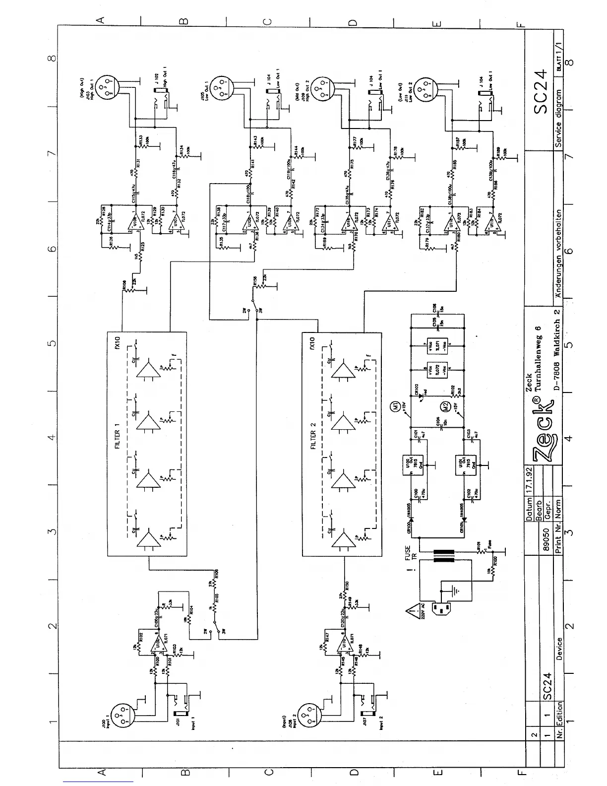
Zeck Audio SC24 - Technical Schematics; Service Diagram

Default Icon
5 pages
Print Icon
To Next Page IconTo Next Page
To Next Page IconTo Next Page
To Previous Page IconTo Previous Page
To Previous Page IconTo Previous Page
Loading...