EasyManua.ls Logo

Zenith D952X - Page 44

Zenith D952X
56 pages
Print Icon
To Next Page IconTo Next Page
To Next Page IconTo Next Page
To Previous Page IconTo Previous Page
To Previous Page IconTo Previous Page
Loading...
42
Q
I-
<
LU
X
o
I
r-
N
O
«
<
Q
5
co
GO
GO
<
X
Q
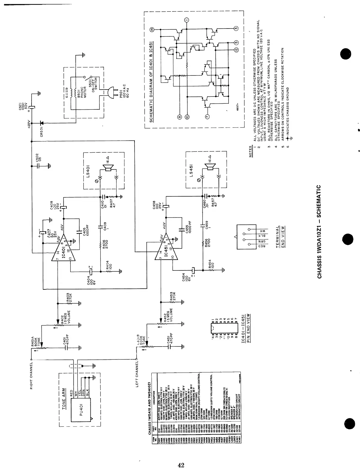
1WDA10
AND
lWDAlOZl
2
d
s
iifthhlis
!
iiliiiihhliiisMI
i
|g
.IBttMIBBillilltBIilli®
itltitfiimfitlllllillfliillllll

Related product manuals