EasyManua.ls Logo

Zenith D952X - Page 51

Zenith D952X
56 pages
Print Icon
To Next Page IconTo Next Page
To Next Page IconTo Next Page
To Previous Page IconTo Previous Page
To Previous Page IconTo Previous Page
Loading...
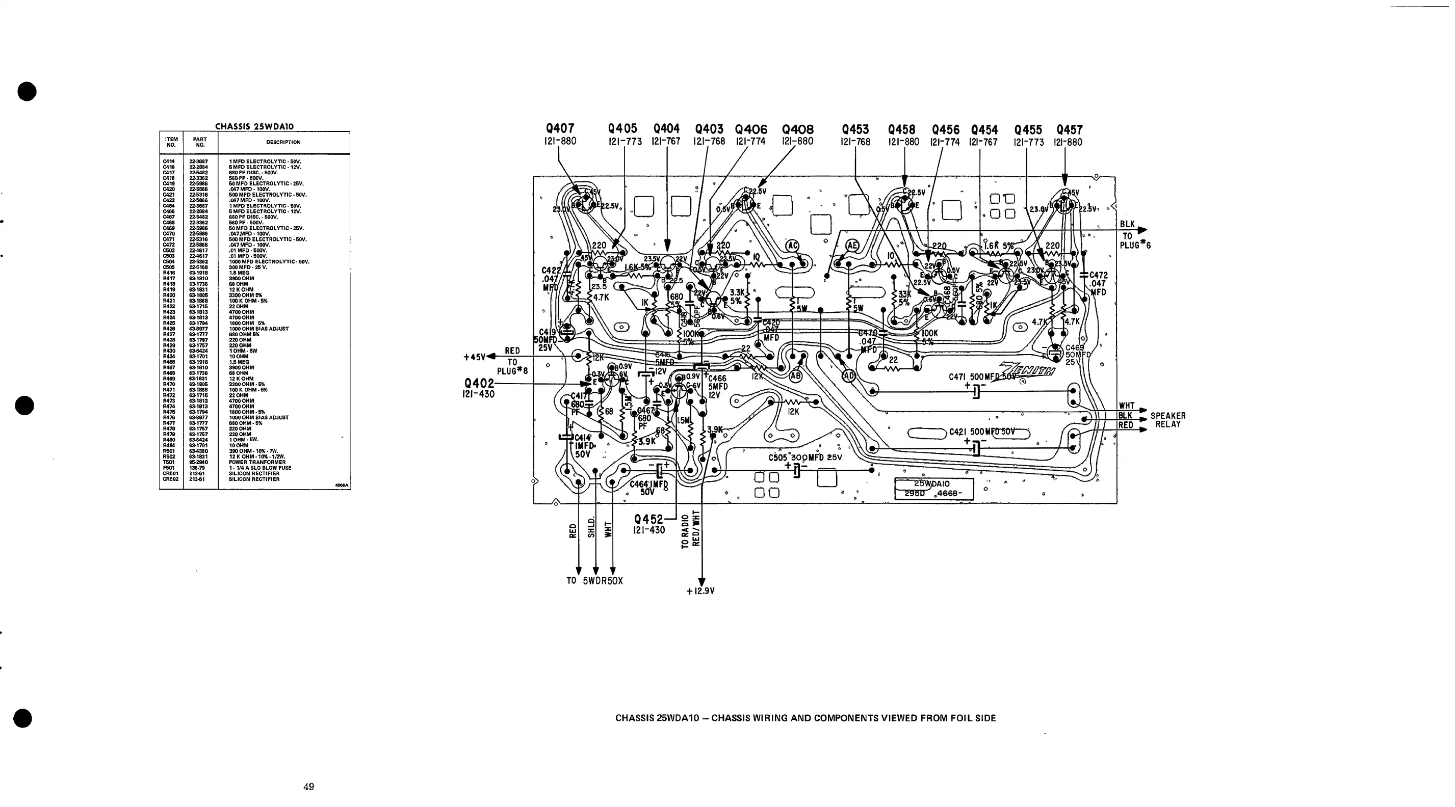
CHASSIS
25WDA10
ITEM
NO.
PART
NO.
DESCRIPTION
C414
22-3687
1
MFD
ELECTROLYTIC
-
50V.
C416
22-2884
5
MFD
ELECTROLYTIC
-
12V.
C417
22-5482
680
PF
DISC.
-
500V.
C418
22-3362
560
PF-500V.
C419
22-5986
50
MFD
ELECTROLYTIC
-
25V.
C420
22-5866
.047
MFD
-
100V.
C421
22-5316
500
MFD
ELECTROLYTIC
50V.
C422
22-5866
.047
MFD
-
100V.
0464
22-3687
1
MFD
ELECTROLYTIC
-
50V.
C466
22-2884
5
MFD
ELECTROLYTIC
-
12V.
0467
22-5482
680
PF
DISC.
-
500V.
C468
22-3362
560
PF
-
500V.
0469
22-5986
50
MFD
ELECTROLYTIC
-
25V.
0470
22-5866
.047JVIFD
-
100V.
0471
22-5316
500
MFD
ELECTROLYTIC
-
50V.
0472
22-5866
.047
MFD
-
100V.
C502
22-4617
.01
MFD
-
500V.
0503
22-4617
.01
MFD
-
500V.
0504
22-5362
1000
MFD
ELECTROLYTIC
-
50V.
C505
22-5168
300
MFD
-
25
V.
R416
63-1918
1.5
MEG
R417
63-1810
3900
OHM
R418
63-1736
68
OHM
R419
63-1831
12
K
OHM
R420
63-1805
3300
OHM
5%
R421
63-1868
100
K
OHM
-
5%
R422
63-1715
22
OHM
R423
63-1813
4700
OHM
R424
63-1813
4700
OHM
R425
63-1794
1600
OHM
5%
R426
63-8977
1000
OHM
BIAS
ADJUST
R427
63-1777
680
OHM
5%
R428
63-1757
220
OHM
R429
63-1757
220
OHM
R430
63-6424
1
OHM
-
5W
R434
63-1701
10
OHM
R466
63-1918
1.5
MEG
R467
63-1810
3900
OHM
R468
63-1736
68
OHM
R469
63-1831
12
K
OHM
R470
63-1805
3300
OHM
-5%
R471
63-1868
100
K
OHM
-5%
R472
63-1715
22
OHM
R473
63-1813
4700
OHM
R474
63-1813
4700
OHM
R475
63-1794
1600
OHM
-5%
R476
63-8977
1000
OHM
BIAS
ADJUST
R477
63-1777
680
OHM
-
5%
R478
63-1757
220
OHM
R479
63-1757
220
OHM
R480
63-6424
1
OHM
-
5W.
R484
63-1701
10
OHM
R501
63-4380
390
OHM
-10%
-
7W.
R502
63-1831
12
K
OHM
-10%
1/2W.
T501
95-2940
POWER
TRAN
FORMER
F501
136-79
1
-1/4
A
SLO
BLOW
FUSE
CR501
212-61
SILICON
RECTIFIER
CR502
212-61
SILICON
RECTIFIER
4668A
49
CHASSIS
25WDA10
-
CHASSIS
WIRING
AND
COMPONENTS
VIEWED
FROM
FOIL
SIDE

Related product manuals