EasyManua.ls Logo

Zenith J584W - Page 51

Zenith J584W
80 pages
Print Icon
To Next Page IconTo Next Page
To Next Page IconTo Next Page
To Previous Page IconTo Previous Page
To Previous Page IconTo Previous Page
Loading...
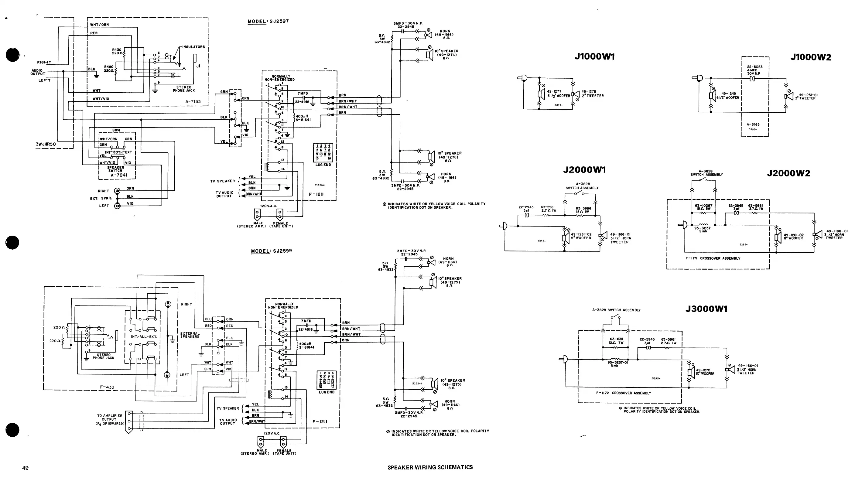
SPEAKER
WIRING
SCHEMATICS
49