EasyManua.ls Logo

Zenith L600 - Mechanical Procedures and Diagrams; Drive Cord Stringing Guide

Zenith L600
9 pages
Print Icon
To Next Page IconTo Next Page
To Next Page IconTo Next Page
To Previous Page IconTo Previous Page
To Previous Page IconTo Previous Page
Loading...
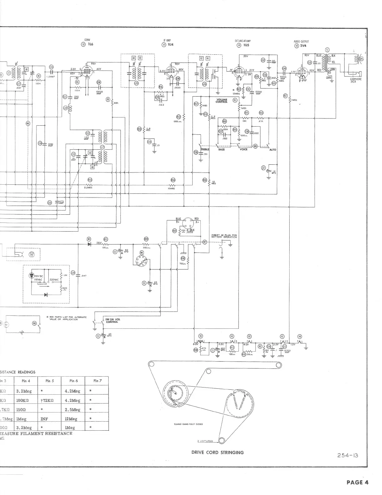
c0Nv
@
116
DEI.AVCAF
AM P
@
rus
AUDIO
OU]PU]
@
ovn
INSM
* PLUC FOR
f-
J+
1
E S*
ffiS LIST FM
{ERNAT
254-t3
SSIANCE READINGS
3 Pin 4 Pin 5
Pin
6
Pin 7
K? 3.2Meg 4.zMee
EO
t00Ko
172Kc,
4,ZM9E
TKO 150f, 2.5MeE
lMes INF
12MeE
00f} 3.2MeE lMeg
IEASURE FILAMENT
RESISTATICE
tfl
DRIVE
CORD STRINGING
PAGE 4