EasyManua.ls Logo

Zenith Y504B - Page 48

Zenith Y504B
88 pages
Print Icon
To Next Page IconTo Next Page
To Next Page IconTo Next Page
To Previous Page IconTo Previous Page
To Previous Page IconTo Previous Page
Loading...
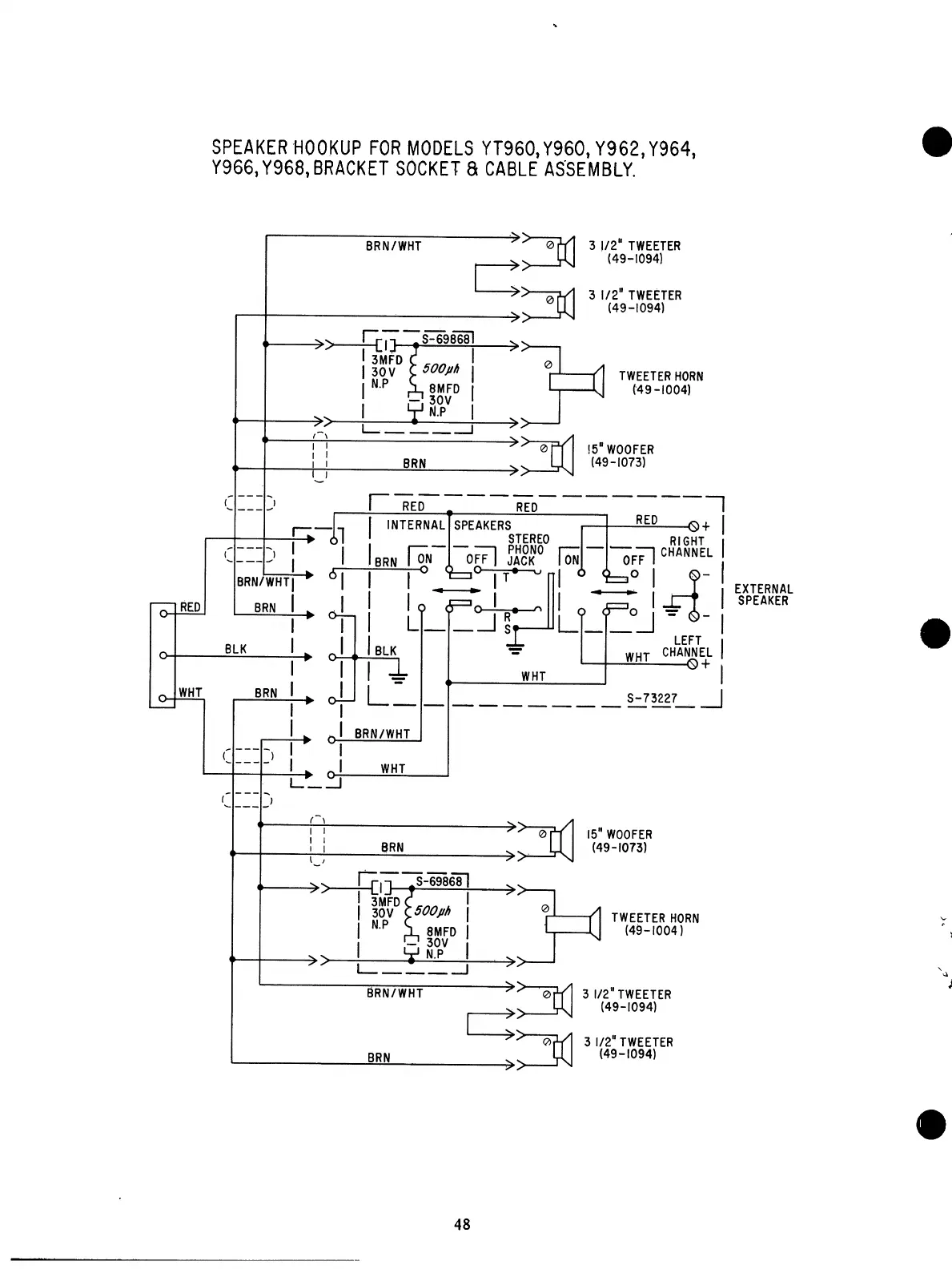
SPEAKER
HOOKUP
FOR
MODELS
YT960.Y960,
Y962,
Y964,
Y966.Y968,
BRACKET
SOCKET
a
CABLE
ASSEMBLY.
48

Related product manuals