EasyManua.ls Logo

Zenith Y504B - Page 77

Zenith Y504B
88 pages
Print Icon
To Next Page IconTo Next Page
To Next Page IconTo Next Page
To Previous Page IconTo Previous Page
To Previous Page IconTo Previous Page
Loading...
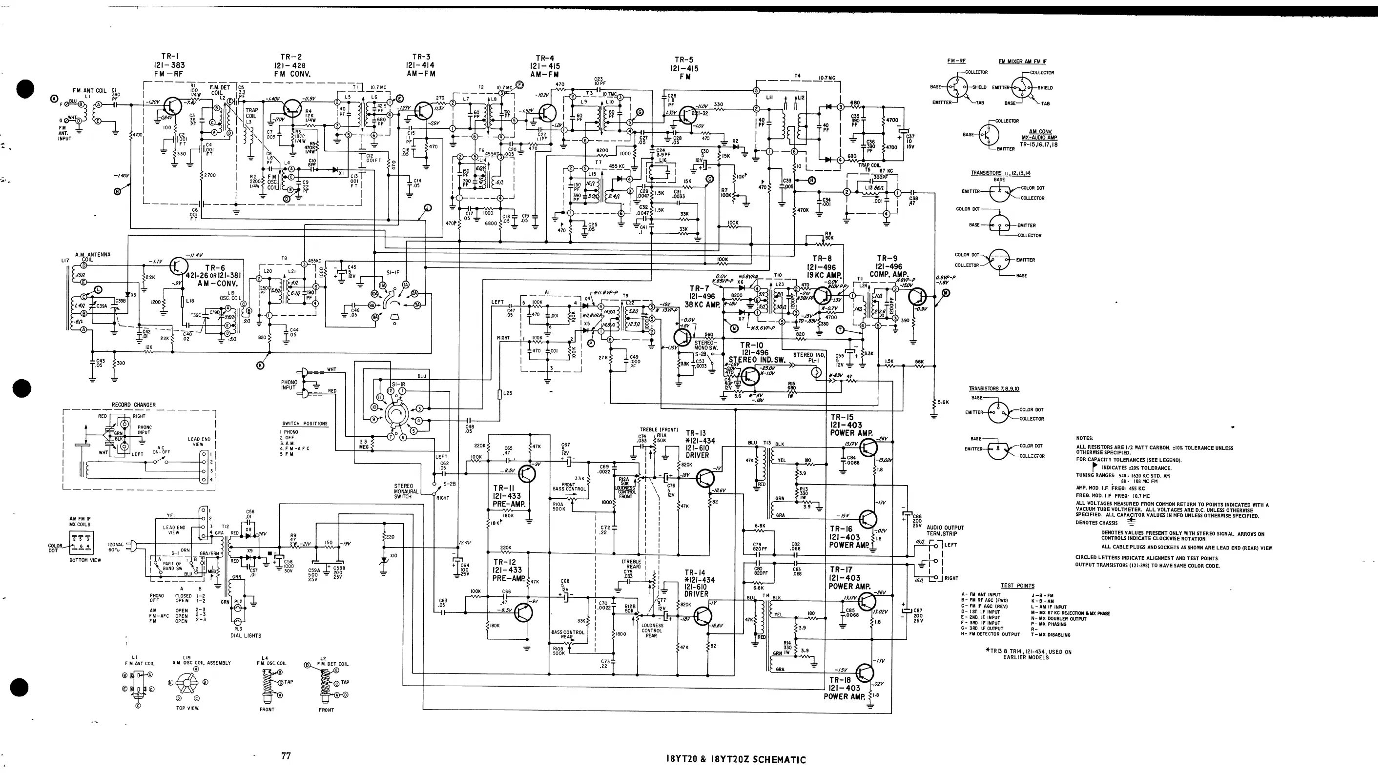
I8YT20&
I8YT20Z
SCHEMATIC
77

Related product manuals