EasyManua.ls Logo

Zenith Y504B - Page 85

Zenith Y504B
88 pages
Print Icon
To Next Page IconTo Next Page
To Next Page IconTo Next Page
To Previous Page IconTo Previous Page
To Previous Page IconTo Previous Page
Loading...
85
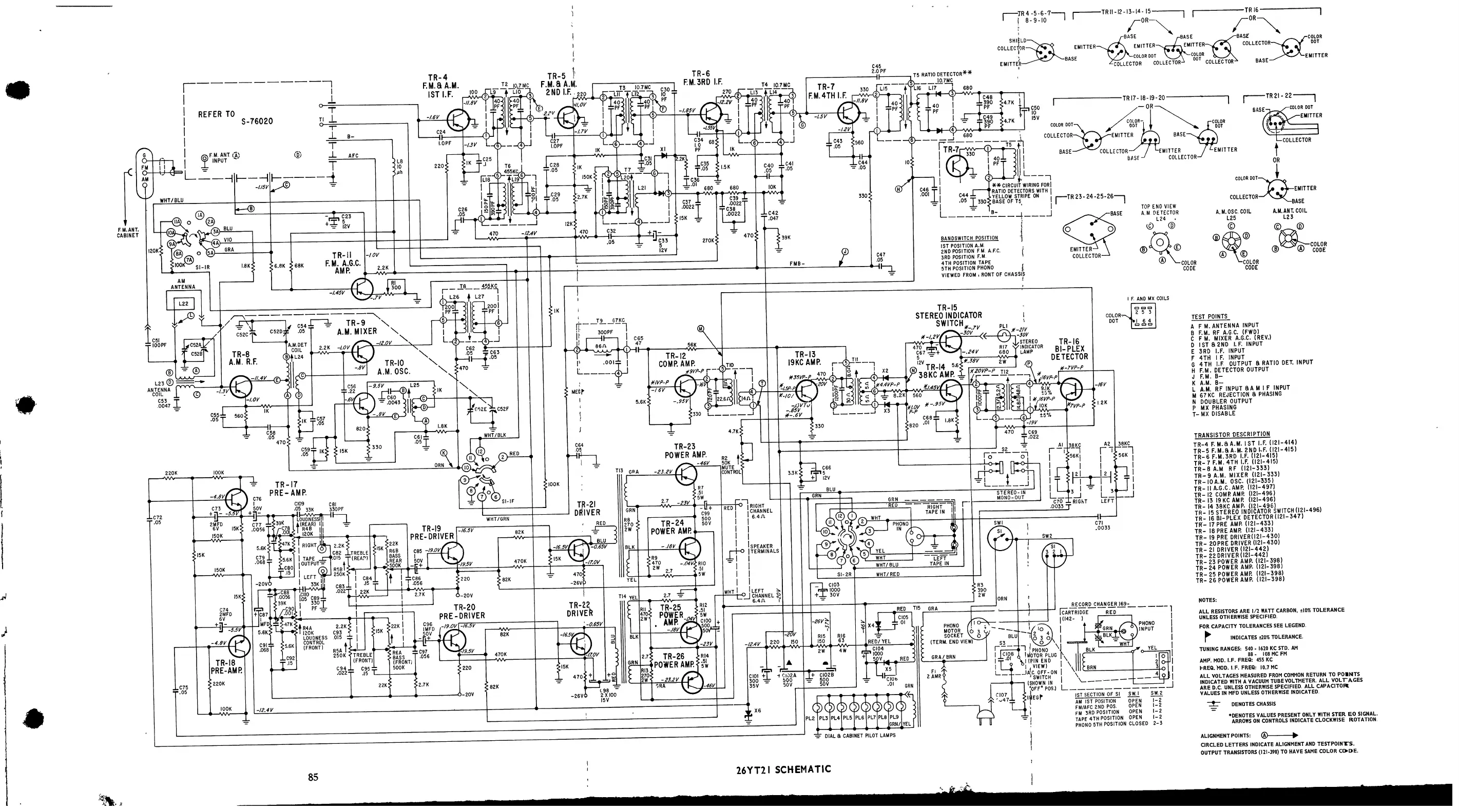
26YT2I
SCHEMATIC

Related product manuals