EasyManua.ls Logo

ZF 25 M - Page 90

ZF 25 M
Print Icon
To Next Page IconTo Next Page
To Next Page IconTo Next Page
To Previous Page IconTo Previous Page
To Previous Page IconTo Previous Page
Loading...
90
ZF 4-1 M / ZF 30 M
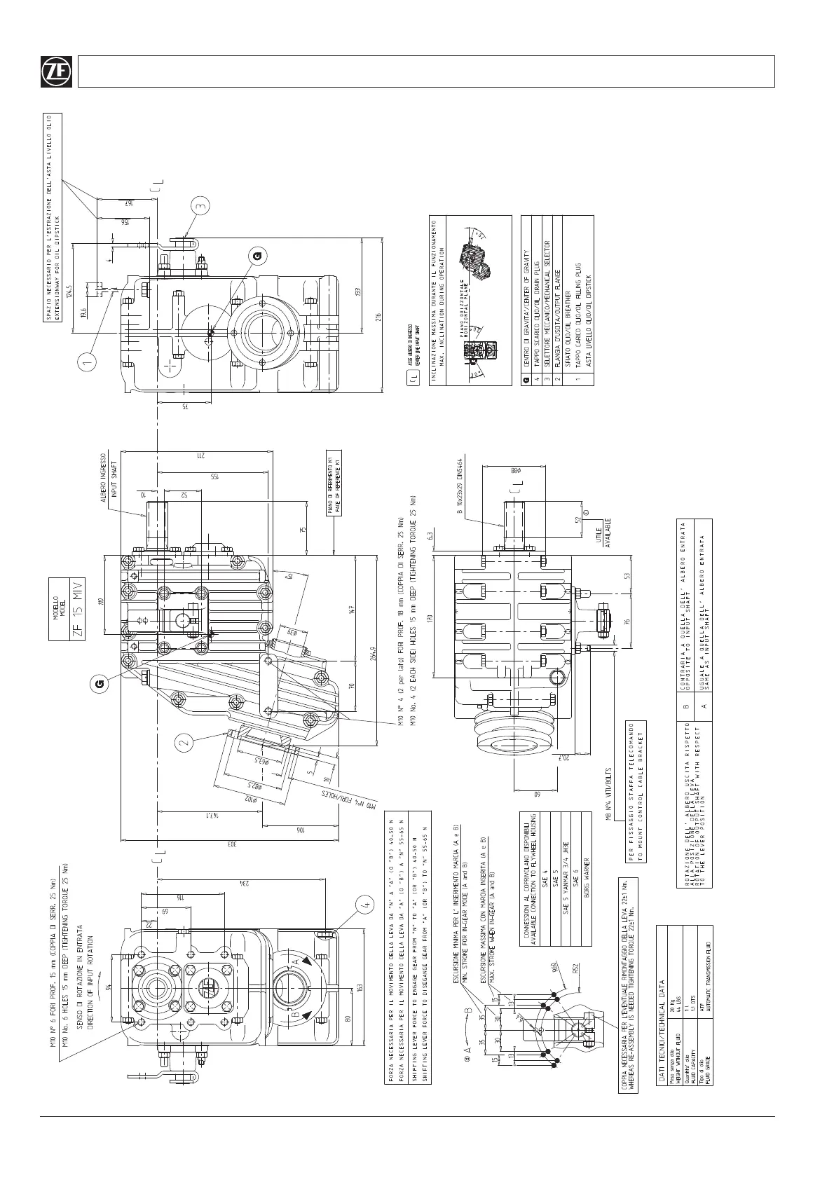
ZF 15 MIV

Related product manuals