EasyManua.ls Logo

ABB CD522 - Process Supply Voltage; Inputs;Outputs

ABB CD522
262 pages
Print Icon
To Next Page IconTo Next Page
To Next Page IconTo Next Page
To Previous Page IconTo Previous Page
To Previous Page IconTo Previous Page
Loading...
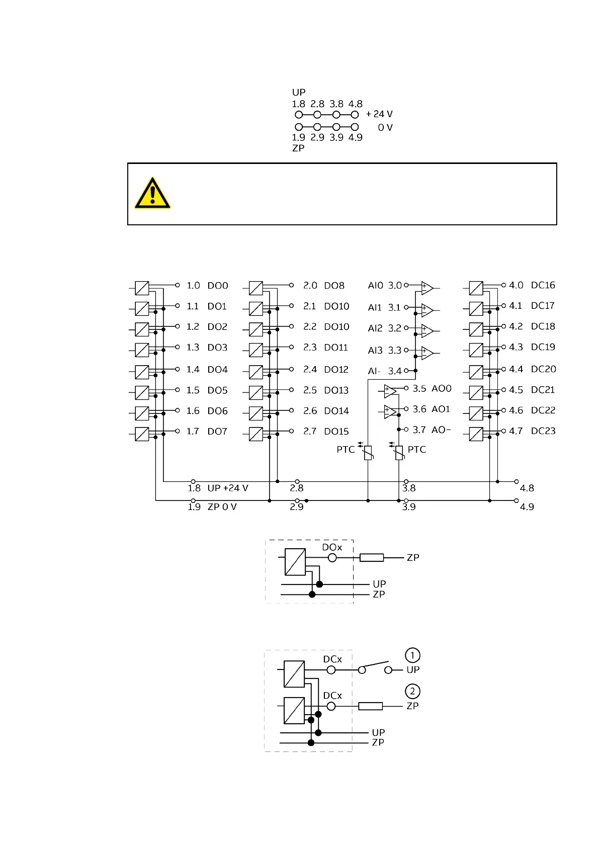
16.4.1 Process Supply Voltage
CAUTION!
The process supply voltage must be included in the earthing concept (e. g.
earthing of the minus pole).
16.4.2 Inputs/Outputs
Fig. 28: Example for connection output DOx
1 Example for connection as an input
2 Example for connection as an output
Examples
DA502
Connection > Inputs/Outputs
2019/11/15 3ADR024117M02xx, 11, en_US 131

Table of Contents

Related product manuals