EasyManua.ls Logo

ABB CL-LMR 18DC1 Series - Page 46

ABB CL-LMR 18DC1 Series
296 pages
Print Icon
To Next Page IconTo Next Page
To Next Page IconTo Next Page
To Previous Page IconTo Previous Page
To Previous Page IconTo Previous Page
Loading...
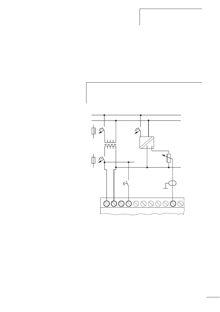
Connecting the inputs
43
1SVC 440 795 M0100
Power supply of CL-AC1 devices and analog inputs
With CL-AC1 devices that process analog signals, the device
must be fed via a transformer so that the device is isolated
from the mains supply. The neutral conductor and the
reference potential of the DC power feed of analog sensors
must be electrically connected.
Figure 19: CL-AC1 analog input, connection of reference potentials
h
Ensure that the common reference potential is grounded
or monitored by a ground fault monitoring device. Observe
the requirements of the relevant regulations.
I7L NI1N
L
N
~
0 V
+12 V
L01h
N01 h
I8
F1
EASY200-POW
CL-LAS.SD001

Table of Contents

Related product manuals