EasyManua.ls Logo

ABB CL-LSR series - Page 6

ABB CL-LSR series
12 pages
Print Icon
To Next Page IconTo Next Page
To Next Page IconTo Next Page
To Previous Page IconTo Previous Page
To Previous Page IconTo Previous Page
Loading...
6/12
04/16 1SVC4400796M3000
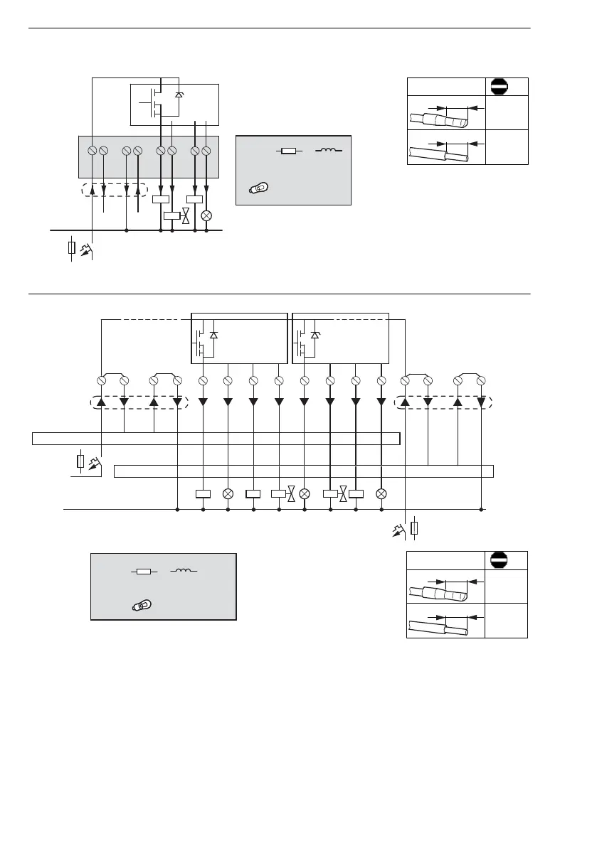
Transistor outputs – Transistor-Ausgänge – Sorties à transistors – Salidas de transistor – Uscite a transistor –
Выводы транзистора
CL-LST
CL-LMT..., CL-LET...
0 V H
R
L
+... V
0 V Q1 Q2 Q3 Q4
S1 S2 S3 S4
5 W/24 V H
Q
Q
24 V H 0.5 A0.5 A
+24 V H
f 2.5 A
20.4 – 28.8 V H
6,5 mm (0.25”)
6,5 mm (0.25”)
0.2- 2.5 mm²
AWG 22-12
0.2- 4 mm²
AWG 22-12
0 V
Q1
S1 S2 S3 S4 S5 S6 S7 S8
Q2 Q3 Q4 Q5 Q6 Q7 Q8
F 10 A
Q
24 V
Q
0 V
Q
24 V
Q
F 10 A
f 2.5 A
f 2.5 A
0 V H
24 V H
CL-LMT...
CL-LET...
CL-LET...
CL-LMT...
(20.4 – 28.8 V H)
+ 24 V H
RL
5 W/24 V
0.5 A
24 V H
0.5 A
6,5 mm (0.25”)
6,5 mm (0.25”)
0.2- 2.5 mm²
AWG 22-12
0.2- 4 mm²
AWG 22-12

Related product manuals