EasyManua.ls Logo

ABB CM-MSS.12 - Page 4

ABB CM-MSS.12
8 pages
Print Icon
To Next Page IconTo Next Page
To Next Page IconTo Next Page
To Previous Page IconTo Previous Page
To Previous Page IconTo Previous Page
Loading...
4
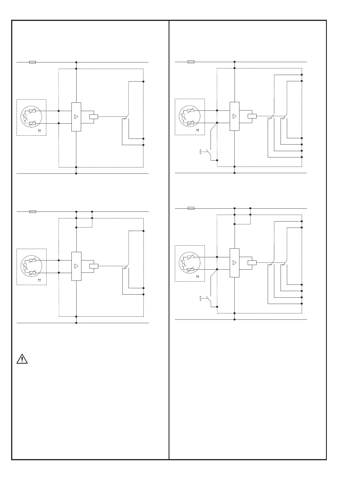
II Connection diagrams
CM-MSS.12
CM-MSS.22
M 3~
V+
T2
T1
A1
V-
t
A2
14
11
12
M 3~
V
+
T2
T1
A1
V-
t
A2
S1
24
11
21
22
14
12
Reset
2CDC 252 024 F0014
2CDC 252 026 F0014
CM-MSS.23
M 3~
V
+
T2
T1
A1 or A3
V-
t
A2
S1
24
11
21
22
14
12
Reset
2CDC 252 027 F0014
CM-MSS.13
M 3~
V
+
T2
T1
A1 or A3
V-
t
A2
14
11
12
2CDC 252 025 F0014
Bemessungssteuerspeisespannung dem seitlichen
Typenschild am Gerät entnehmen.
For the rated control supply voltage, see label at the side
of the unit.
Pour la tension assignée d’alimentation de commande voir
l’étiquette placée sur le côté du relais
Véase la etiqueta lateral de características para la tensión
nominal de alimentación de mando.
Per la tensione nominale di comando vedi la targhetta
laterale del relè.
Обратите внимание на маркировку, нанесенную на
корпус изделия, для определения напряжения питания
ܮۨ዆ۉუLj֖ఇ֨௬ڦՔധă

Related product manuals