EasyManua.ls Logo

ABB CT-MBS - Page 8

ABB CT-MBS
12 pages
Print Icon
To Next Page IconTo Next Page
To Next Page IconTo Next Page
To Previous Page IconTo Previous Page
To Previous Page IconTo Previous Page
Loading...
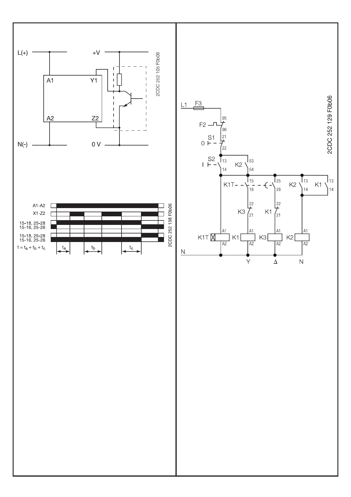
IV (D) Stern-Dreieck-Umschaltung
(GB) Star-delta change-over
(F) Commutation étoile-triangle
(E) Arranque estrella-triángulo
(I) Commutazione stella-triangolo
(CN)
(RU)
V
(D) Steuerschaltbild
(GB) Control circuit diagram
(F) Schéma du circuit de commande
(E) Circuito de mando
(I) Schema del circuito di comando
(CN)
(RU)
ܱɍӯᔝ౒
ઁԹΑ༏྇
¬ÂÍÂÇÈÛÔÂÊÅÂÎËÄ¿ÂÄÁØʽÏÍÂÐÀËÈÙÊÅÇ
®ÒÂɽÐÌͽ¿ÈÂÊÅÜ
8

Other manuals for ABB CT-MBS

Related product manuals