EasyManua.ls Logo

ABB DA501 - PD501-4 CH Process Supply Voltage; PD501-4 CH Inputs;Outputs

ABB DA501
262 pages
Print Icon
To Next Page IconTo Next Page
To Next Page IconTo Next Page
To Previous Page IconTo Previous Page
To Previous Page IconTo Previous Page
Loading...
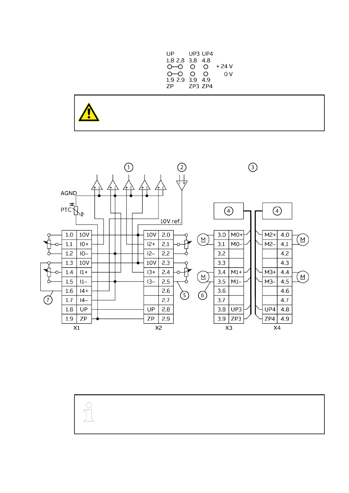
27.4.1 Process Supply Voltage
CAUTION!
The process supply voltage must be included in the earthing concept (e. g.
earthing of the minus pole).
27.4.2 Inputs/Outputs
1 4 analog inputs
2 1 analog output
3 4 digital outputs
4 Motor drivers
5 3x 0.5 mm² + shield
6 2x 2.5 mm²
7 External connection between I4+ and 10 V for
sensor supply monitoring required
27.5 Cleaning
Cleaning instruction
Do not use cleaning agent for cleaning the device.
Use a damp cloth instead.
PD501-4CH
Cleaning
2019/11/153ADR024117M02xx, 11, en_US214

Table of Contents

Related product manuals