EasyManua.ls Logo

ABB HT562624 - Page 139

ABB HT562624
152 pages
Print Icon
To Next Page IconTo Next Page
To Next Page IconTo Next Page
To Previous Page IconTo Previous Page
To Previous Page IconTo Previous Page
Loading...
Operation Manual / 4 Product description / A150-M.. - A155-M..
9
Taking out of operation at short notice
Page 107 /
120
© Copyright 2017 ABB. All rights reserved.
HZTL4032_EN
Revision F
January 2017
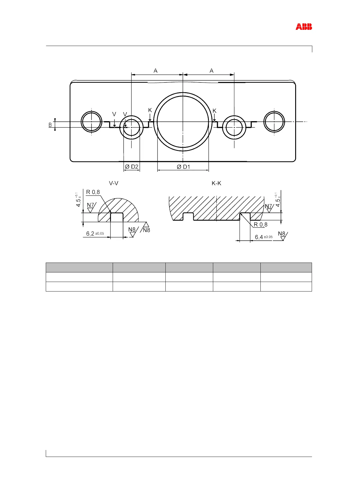
Figure 60: Dimensions for cover plate
Product
A
B
D1
D2 ± 0.1
A150
90
10
90 ± 0.2
28.2
A155 107 12 111 ± 0.1 37.2
Table 51: Cover plate dimensions [mm]

Table of Contents

Related product manuals