EasyManua.ls Logo

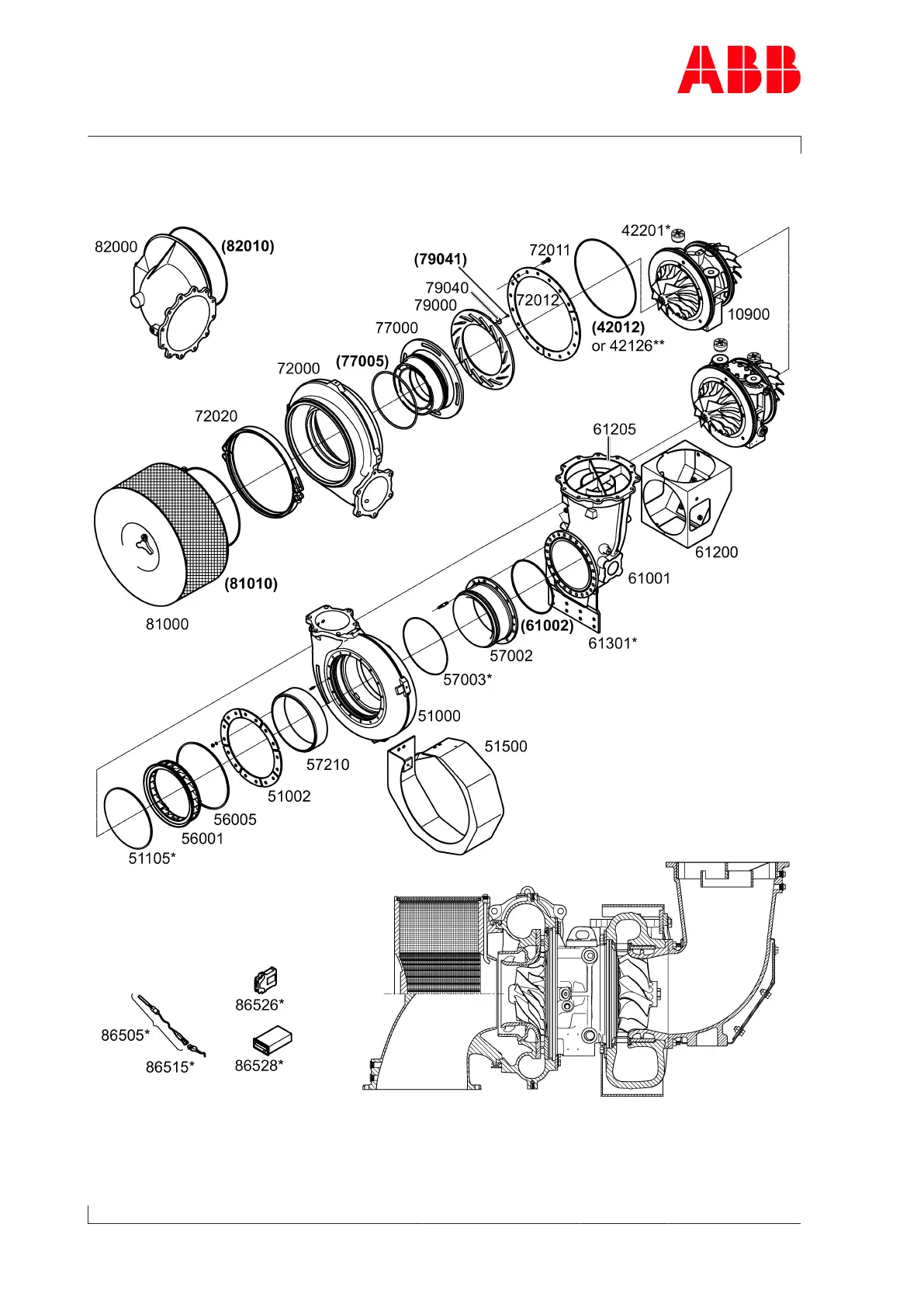
ABB HT600125 - Fig. 54: Overview of Part Numbers; View of Turbocharger with Part Numbers

ABB HT600125
124 pages
Print Icon
To Next Page IconTo Next Page
To Next Page IconTo Next Page
To Previous Page IconTo Previous Page
To Previous Page IconTo Previous Page
Loading...
Operation Manual / 4 Product description / A130-H.. - A140-H
12 Spare parts / 12.3 View of turbocharger with part numbers
© Copyright 2020 ABB. All rights reserved. HZTL4030_EN Rev.F February 2020
12.3 View of turbocharger with part numbers
Fig.54: Overview of part numbers
(……) only available in customer spare part set (97070).
Page 90 / 93

Table of Contents

Related product manuals