EasyManua.ls Logo

ABB HT610957 - Fig. 81: Installing Gas Outlet Casing with Support 1; Table 55: Tightening Torque (51009)

ABB HT610957
200 pages
Print Icon
To Next Page IconTo Next Page
To Next Page IconTo Next Page
To Previous Page IconTo Previous Page
To Previous Page IconTo Previous Page
Loading...
Operation Manual / A150-M56/66/57/67 - A155-M..
10 Dismantling and fitting with removed air inlet and gas outlet / 10.19
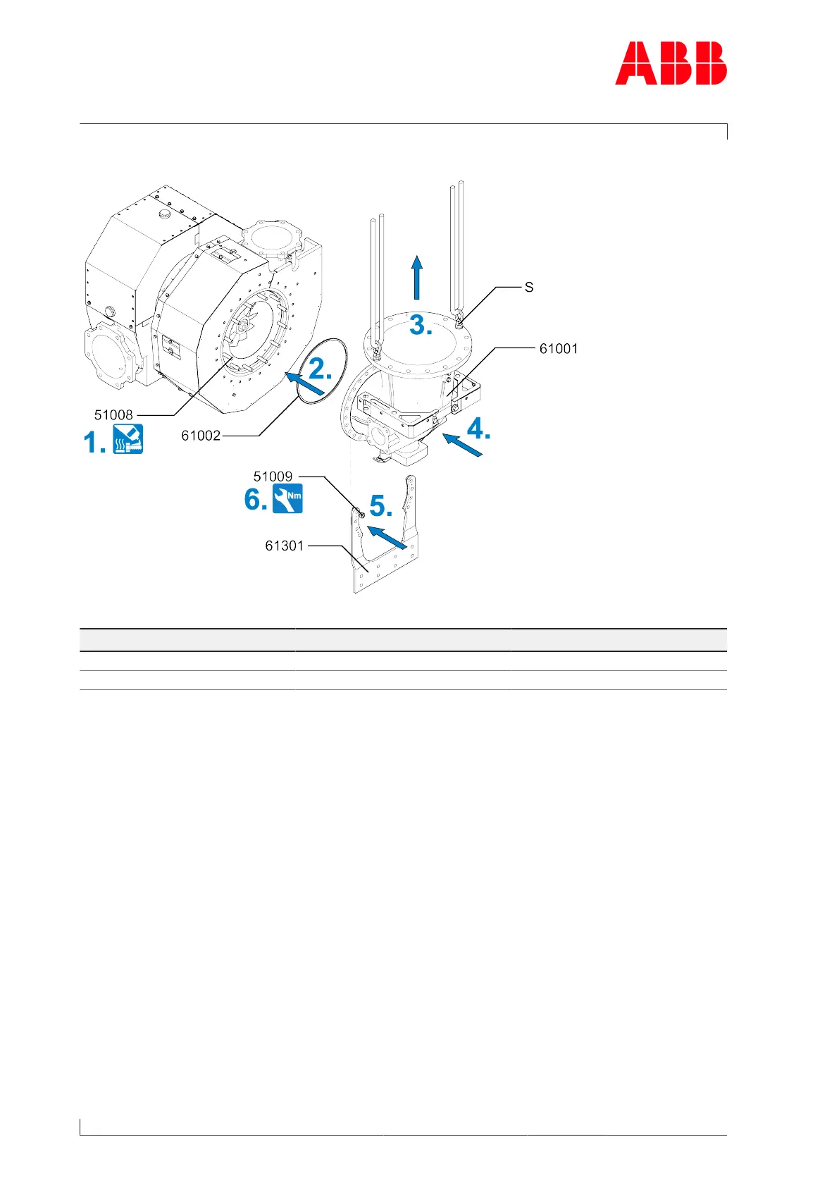
Installing the gas outlet casing
© Copyright 2022 ABB. All rights reserved. HZTL4032_EN Rev.S February 2022
Variant with support
Fig.81: Installing gas outlet casing with support 1
Product Size Tightening torque [Nm]
A150 M16 200
A155 M16 200
Table55: Tightening torque (51009)
1. Coat thread of bolts(51008) with high-temperature grease.
2. Insert a new gasket(61002) into the gas outlet casing(61001).
3. Fit swivel lifting eyes(S) to gas outlet casing(61001). Secure lifting gear to the swivel lift-
ing eye.
4. Place gas outlet casing on the turbine casing(51000). Observe the marking.
5. Fit support(61301).
6. Fit hexagon nuts(51009). Observe the tightening torque.
Page 130 / 198

Table of Contents

Related product manuals