EasyManua.ls Logo

ABB PR512 - Page 36

ABB PR512
44 pages
Print Icon
To Next Page IconTo Next Page
To Next Page IconTo Next Page
To Previous Page IconTo Previous Page
To Previous Page IconTo Previous Page
Loading...
34
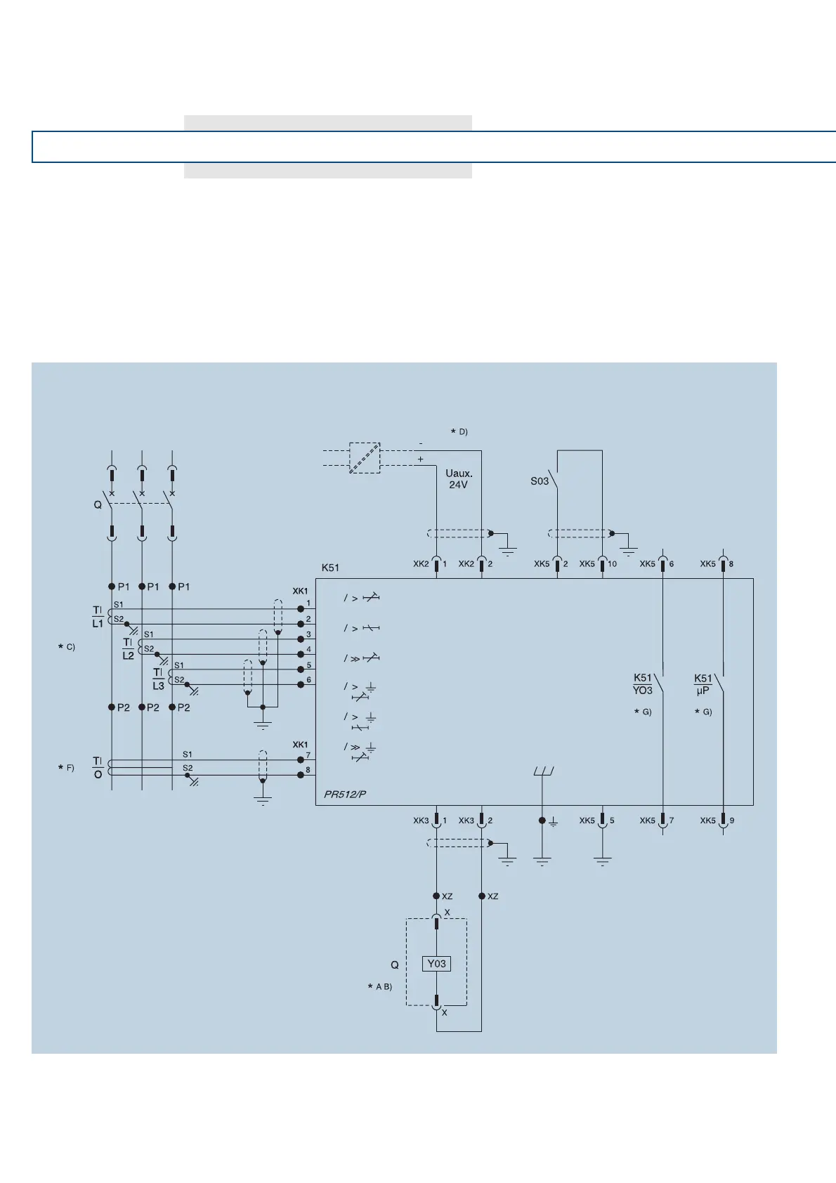
PR512/P (50-51)
ELECTRICAL CIRCUIT DIAGRAM
Diagrams of the applications
The diagrams shown correspond with ABB 401530 document.
However, they are for indicative purposes. In case of use, it is advisable to
ask for the latest updated document.
To take evolution of the product into consideration, it is useful to refer to the
circuit diagram supplied with each circuit-breaker.

Related product manuals