EasyManua.ls Logo

ABB REF 543 - Page 63

ABB REF 543
76 pages
Print Icon
To Next Page IconTo Next Page
To Next Page IconTo Next Page
To Previous Page IconTo Previous Page
To Previous Page IconTo Previous Page
Loading...
Feeder Terminal REF 541, REF 543, REF 545.
1MRS750443-MBG
63
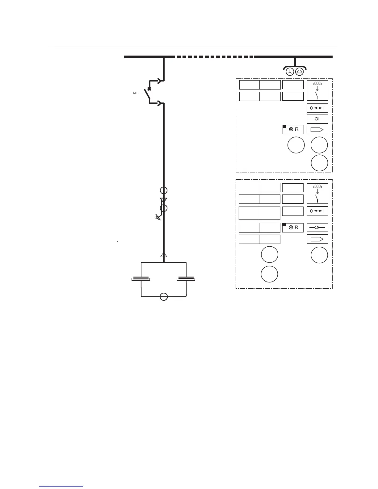
Fig. 16 REF 54_ used for the protection of a double Y connected capacitor bank
REF 54_
TCS
MCS
273U<
593U>
f
U
0
3U
REF 54_
asynmot1REFa
TCS
MCS
CBCM
DI
I
3I
51C,37C,
68C
3I>3I<
CBFP 62BF
50/513I>
51N
I >
0
0
DI>
51NC

Other manuals for ABB REF 543

Related product manuals