EasyManua.ls Logo

ABB RET 545 - Terminal Diagram of RET 545

ABB RET 545
124 pages
Print Icon
To Next Page IconTo Next Page
To Next Page IconTo Next Page
To Previous Page IconTo Previous Page
To Previous Page IconTo Previous Page
Loading...
98
1MRS755225
Transformer Terminal
Technical Reference Manual, General
RET 54_
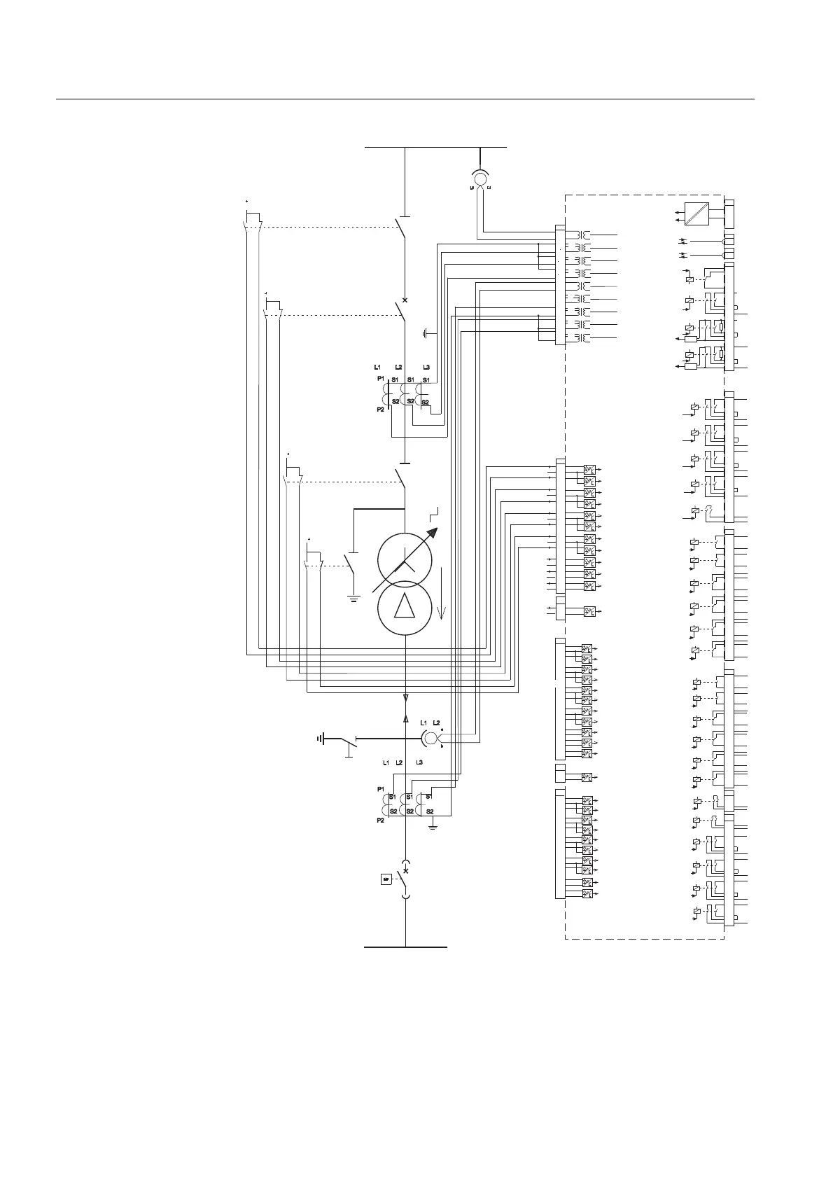
5.2.4. Terminal diagram of RET 545
CD_545_b
1A
5A
100V
100V
1A
5A
1A
5A
1A
5A
X1.1
16
15
14
13
12
11
8
7
6
5
4
3
2
1
10
9
19
18
22
21
27
25
24
IRF
TCS
TCS
X4.1
5
6
7
9
8
10
11
13
12
15
16
18
17
3
4
12
11
13
14
16
15
17
18
9
10
X4.2
X3.3
+
-
X4.1
1
2
PS2_4_HSPO3
PS2_4_HSPO1
PS2_4_TCS1
PS2_4_HSPO2
PS2_4_HSPO5
PS2_4_HSPO8
PS2_4_TCS2
PS2_4_HSPO4
PS2_4_TempAlarm
1
2
3
4
5
6
7
8
9
10
11
12
13
14
15
16
17
18
X5.1
1
2
X5.2
BIO1_5_BI1
BIO1_5_BI11
BIO1_5_BI9
BIO1_5_BI8
BIO1_5_BI7
BIO1_5_BI6
BIO1_5_BI5
BIO1_5_BI4
BIO1_5_BI3
BIO1_5_BI2
BIO1_5_BI10
BIO1_5_BI12
PS2_4_ACFail
X3.2
1A
5A
1A
5A
1A
5A
X7.1
10
11
12
13
14
15
16
4
5
6
7
8
9
1
2
3
1
2
3
4
5
6
7
8
9
10
11
12
13
14
15
16
17
18
X6.1
1
2
X6.2
BIO2_7_BI9
BIO2_7_BI8
BIO2_7_BI7
BIO2_7_BI6
BIO2_7_BI5
BIO2_7_BI4
BIO2_7_BI3
BIO2_7_BI2
BIO2_7_BI10
BIO2_7_BI1
BIO1_6_BI1
BIO1_6_BI11
BIO1_6_BI9
BIO1_6_BI8
BIO1_6_BI7
BIO1_6_BI6
BIO1_6_BI5
BIO1_6_BI4
BIO1_6_BI3
BIO1_6_BI2
BIO1_6_BI10
BIO1_6_BI12
PS2_4_HSPO7
PS2_4_HSPO6
8
7
5
6
4
3
1
2
+
+
-
-
-
-
-
-
-
-
RET 545
3
4
5
6
7
9
8
10
12
11
13
15
14
16
18
17
BIO1_5_SO1
BIO1_5_SO2
BIO1_5_SO3
BIO1_5_SO4
BIO1_5_SO5
BIO1_5_SO6
X5.2
17
18
X7.1
X7.2
5
6
7
8
9
10
13
14
15
16
11
12
1
2
3
4
17
18
5
6
7
9
8
10
12
11
13
15
14
16
18
17
X6.2
3
4
BIO2_7_PO1
BIO2_7_PO2
BIO2_7_PO3
BIO2_7_PO4
BIO2_7_PO5
BIO2_7_PO6
BIO1_6_SO1
BIO1_6_SO2
BIO1_6_SO3
BIO1_6_SO4
BIO1_6_SO5
BIO1_6_SO6
SERIAL BUS
Mains
Ch 2, CT1
Ch 3, CT2
Ch 4, CT3
Ch 5, CT4
Ch 6, VT1
Ch 7, CT5
Ch 8, CT6
Ch 9, CT7
Ch 10, VT2
SERIAL BUS

Table of Contents

Other manuals for ABB RET 545

Related product manuals