EasyManua.ls Logo

ABB STD 420E - Page 107

ABB STD 420E
Print Icon
To Next Page IconTo Next Page
To Next Page IconTo Next Page
To Previous Page IconTo Previous Page
To Previous Page IconTo Previous Page
Loading...
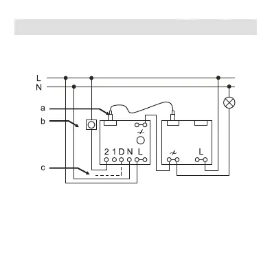
Fig. 2 SPA 107
42 Fig. 2
Ampliación de la potencia de los reguladores centrales
universales de luz 6583-500 mediante el módulo de
potencia 6584-500, control por regulador de luz.
6583-xxx
(STD-500U)
6584-xxx
(STD-420E)
a Línea de datos RJ12 (25 cm)
b Unidad de extensión 6592 U-xxx para regulador
giratorio de luz
c Módulo de control 6597

Related product manuals