EasyManua.ls Logo

AC 25-1 - Page 6

Default Icon
18 pages
Print Icon
To Next Page IconTo Next Page
To Next Page IconTo Next Page
To Previous Page IconTo Previous Page
To Previous Page IconTo Previous Page
Loading...
12
25-1, 25-1H
DK
GB
DE
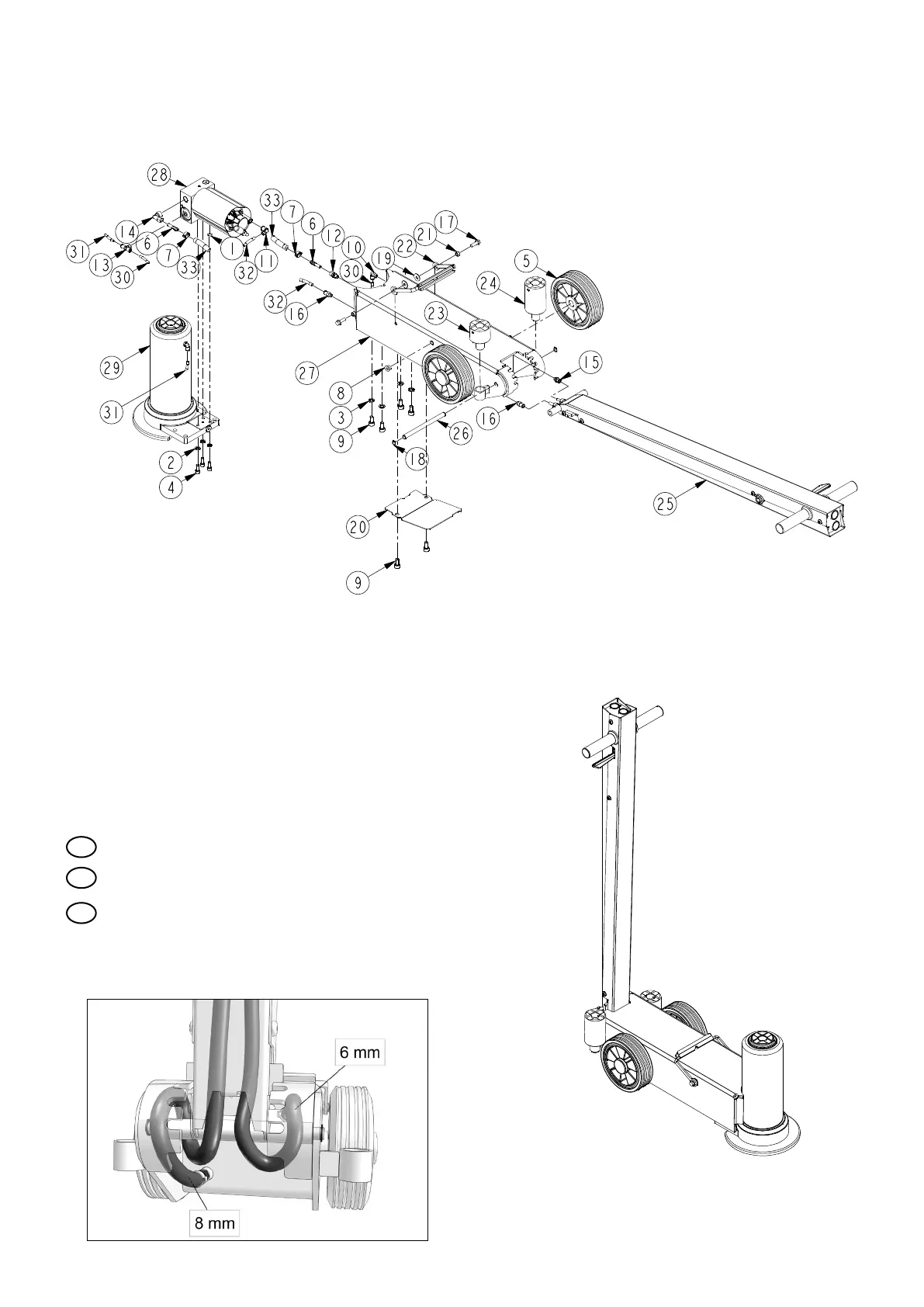
Montering af slanger
Mounting of hoses
Montage von Schläuchen

Related product manuals