EasyManua.ls Logo

ACD APD Series - Water Bucket Removal and Reassembly

Default Icon
24 pages
Print Icon
To Next Page IconTo Next Page
To Next Page IconTo Next Page
To Previous Page IconTo Previous Page
To Previous Page IconTo Previous Page
Loading...
Float
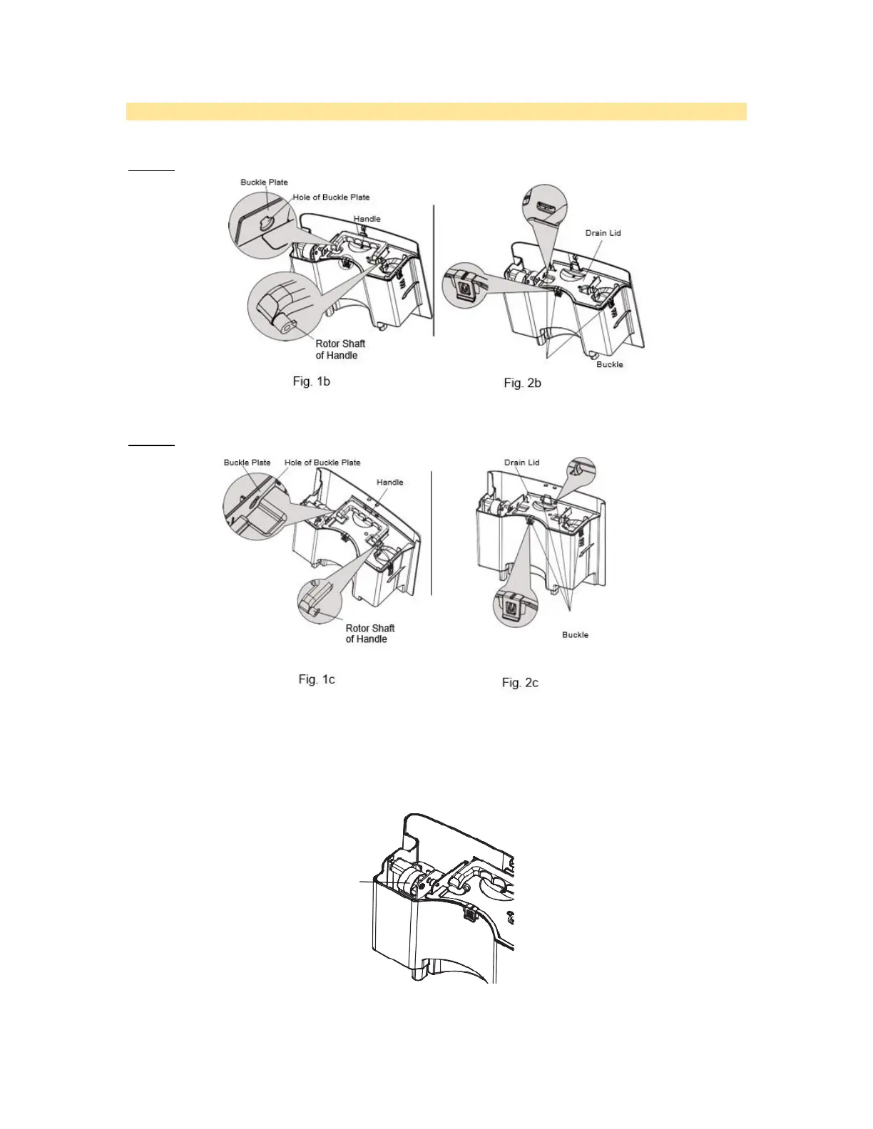
Cleaning and maintenance
APD30P
APD45P
3. After cleaning, replace the drain lid and handle and make sure the float of water bucket is placed
properly. The side with foam plastic should be beneath the drain lid. Do not remove the foam
plastic on the float.