EasyManua.ls Logo

Acer B173 - Page 49

Acer B173
50 pages
Print Icon
To Next Page IconTo Next Page
To Next Page IconTo Next Page
To Previous Page IconTo Previous Page
To Previous Page IconTo Previous Page
Loading...
5
1
7
4
3
6
1 3
2 4
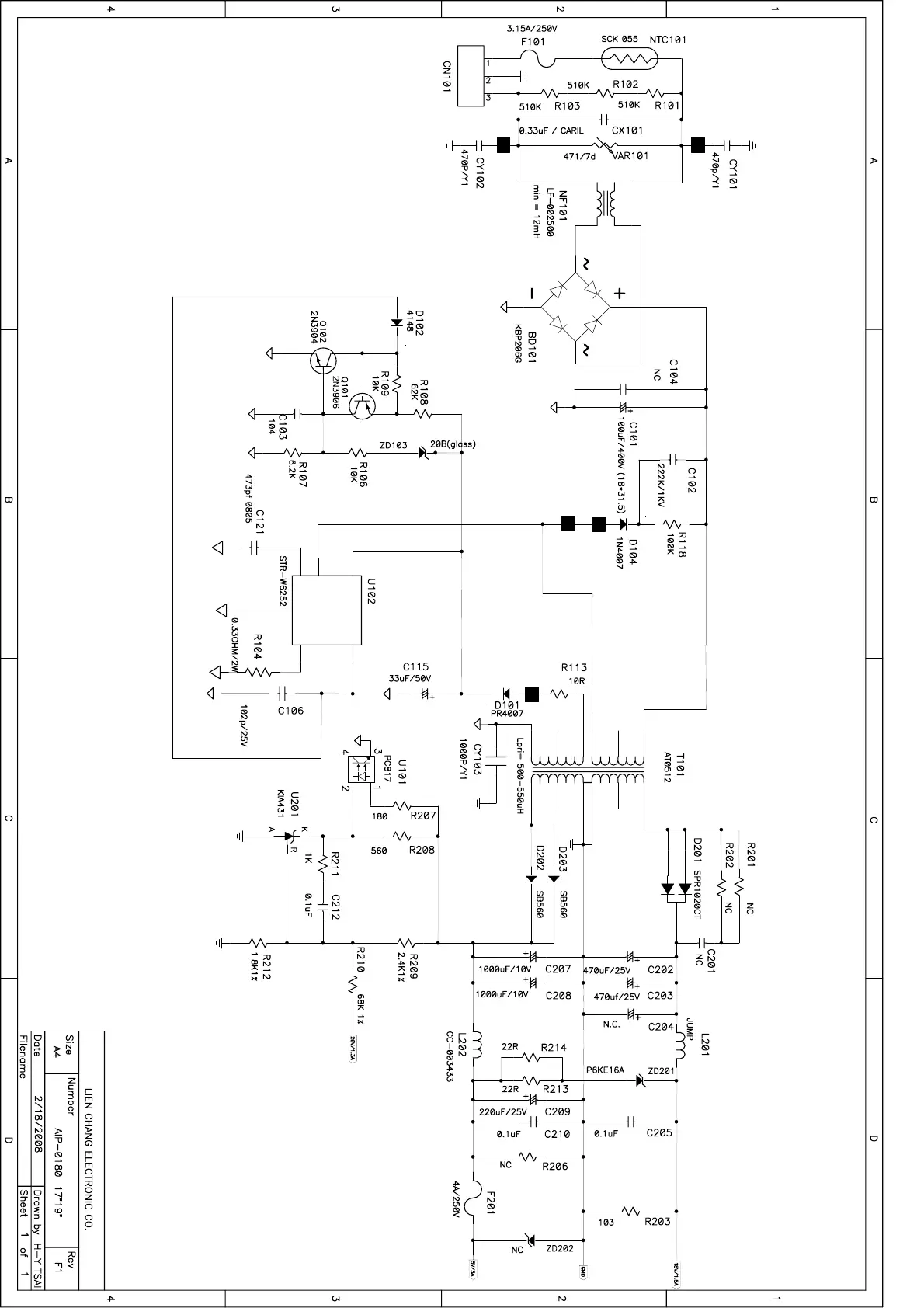
Power Board