EasyManua.ls Logo

Acorto 2000s - Page 62

Acorto 2000s
237 pages
Print Icon
To Next Page IconTo Next Page
To Next Page IconTo Next Page
To Previous Page IconTo Previous Page
To Previous Page IconTo Previous Page
Loading...
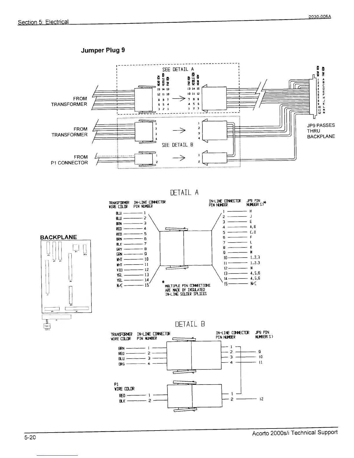
Jumper
Plug
9
SEE
DETAIL
A
aEa
*Ee
lgl
tE!
1514l3
13l4l5
t2ill0
l0ll12
orr-)rro
ES4
a56
32
|
12
3
I
E
e
c
0
n
J
K
L
i
N
FROM
TRANSFORMER
FROM
TRANSFORMER
FROM
P1 CONNECTOR
->
SEE
DFIA]L
B
->
JP9
PASSES
THRU
BACKPLANE
IRAISHRm
IN-LINE
ttN\EtIIX
IIff
qLN
PIN
rul€EP
8LU-1
EUI_-2
8Ril--f
nEn
--4
RA-5
Etx-7
ERY-B
6RN-g
tHI
-
l0
tHI
-
ll
lu
-
ra
lEL-11
Y[-14
lut
-
t5
DETAIL
A
NU-TIru
PIN
tD\r€nID\S
Atr
}tAtr
BY
]NI.I-AIED
IiI{]I€
STIIIR
SPLITES
DETAIL
E
ilff-rl€
mr,EmR
JF_l_rf^.x
PI}I N.i€R
NU€R(
SI
l-H
2-
J
3-E
4
-
Atll
6--F
7-L
B--
K
g-)t
t0-
1,2,1
rr- I f ?
t2-
N
E-
1,5,6
l/t-
4,5,6
'5-
lyt
lRANSIRGR
\dRE
flun
IN-LIIG
EOiIfIIIn
PIN
i{.T€ER
lN-Llt€
t0\r€Om
PIN
NI€ER
"Pq
PIN
N-I.BEK
S )
BRN-
I
RE0-2
*u-3
IR6-a
Rtt)---
I
ilK-2
I
2
3
4
PI
U]RE
IT]LIR
BACKPLANE
rJ!
I
,l
t-t
fll
il
5-20
Acorto
2000sii
Technical
SuPPort