EasyManua.ls Logo

Acson AWM 07G - Page 17

Acson AWM 07G
167 pages
Print Icon
To Next Page IconTo Next Page
To Next Page IconTo Next Page
To Previous Page IconTo Previous Page
To Previous Page IconTo Previous Page
Loading...
14
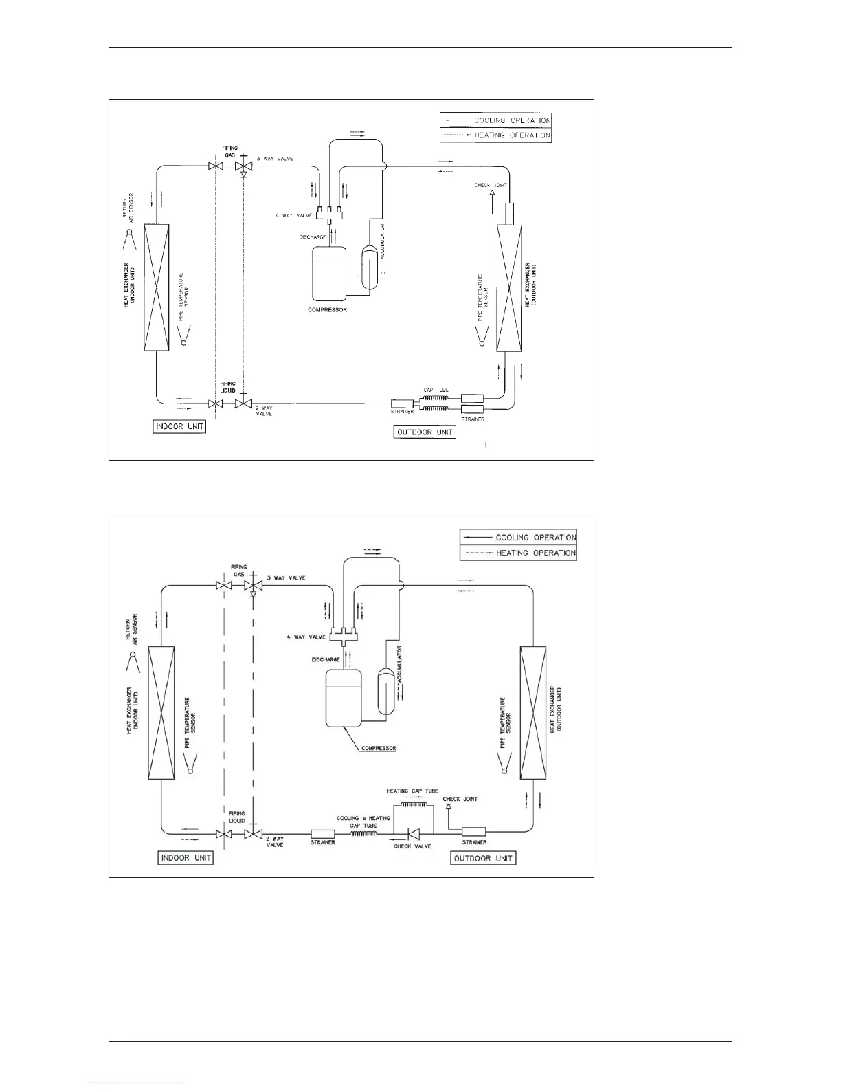
AWM-G-2009 Application Information
Model: AWM 15
G
R - AL
C
15
C
R A5WM 15
G
R - A5L
C
15
C
R
Model: AWM 20GR - ALC 20CR A5WM 20GR - A5LC 20CR
A5WM 25GR - A5LC 25CR

Related product manuals