EasyManua.ls Logo

Acson AWM 301 - HEATMPUMP MODELS

Acson AWM 301
165 pages
Print Icon
To Next Page IconTo Next Page
To Next Page IconTo Next Page
To Previous Page IconTo Previous Page
To Previous Page IconTo Previous Page
Loading...
123
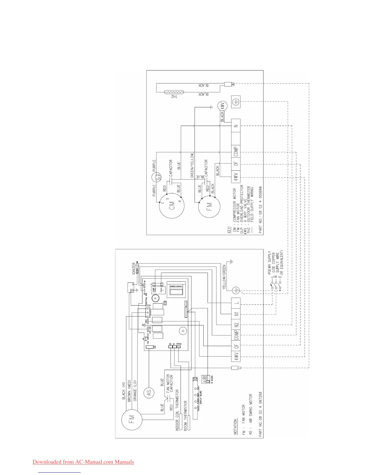
HEATPUMP MODELS
OUTDOOR UNIT
MODEL : ALC 09CR / 10CR , A5LC 07CR / 10CR / 15CR
INDOOR UNIT
MODEL : AWM 09GR / 10GR , A5WM 07GR / 10GR / 15GR (WITH IONIZER)
Downloaded from AC-Manual.com Manuals

Other manuals for Acson AWM 301

Related product manuals