EasyManua.ls Logo

ACV Prestige ACVMax - Page 23

ACV Prestige ACVMax
64 pages
Print Icon
To Next Page IconTo Next Page
To Next Page IconTo Next Page
To Previous Page IconTo Previous Page
To Previous Page IconTo Previous Page
Loading...
19











 ! " ! #
 !
 !
$%
! &
%
'
()
)

*
+
'
()
,
()
$*



-*
.*
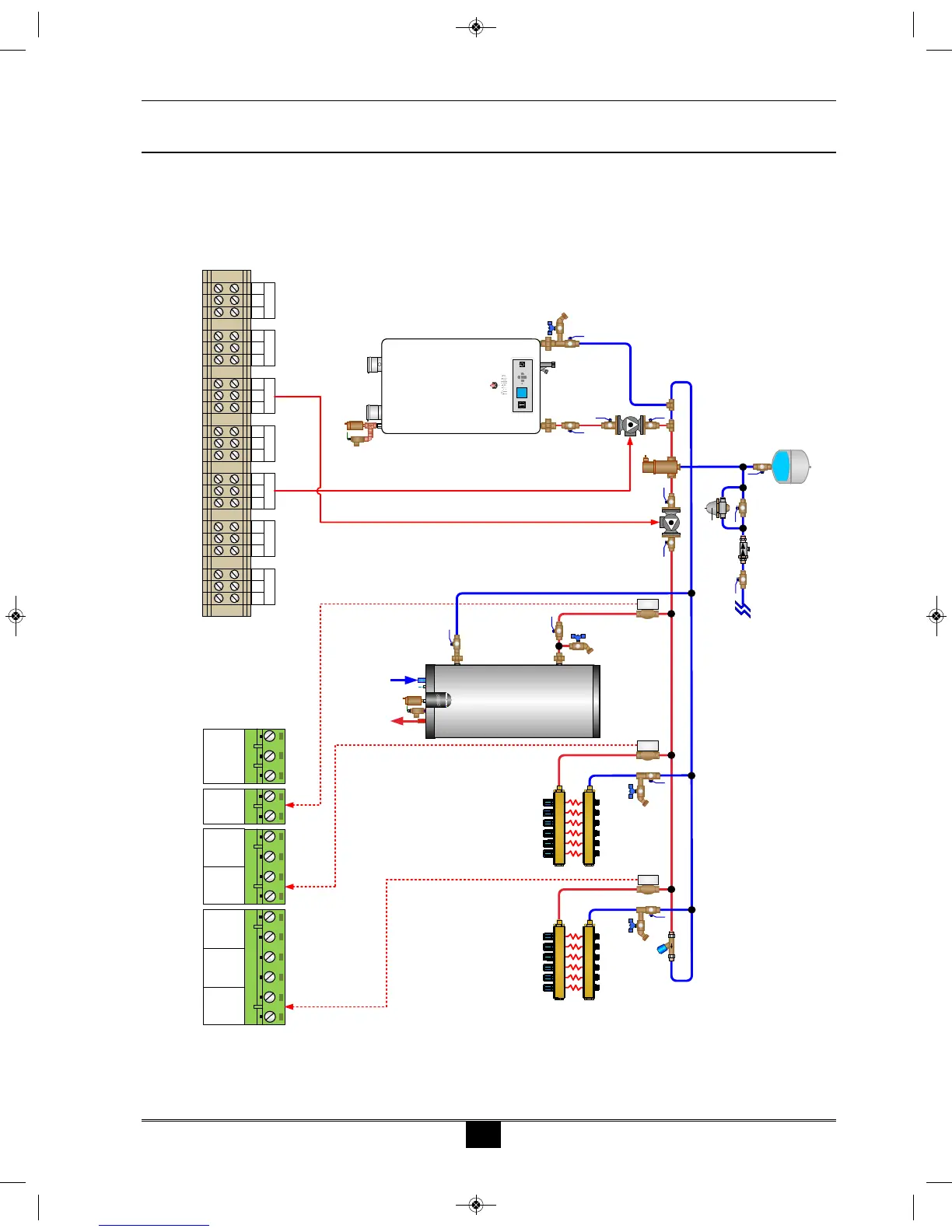
4.0 Boiler Settings
Fig. 3: System Piping with Solo Preset Config 2
2015-10 Prestige ACVMax Control Sup 12-14-15_ACVMax_Control 12/15/15 7:36 AM Page 19

Table of Contents