EasyManua.ls Logo

ACV Prestige ACVMax - Page 30

ACV Prestige ACVMax
64 pages
Print Icon
To Next Page IconTo Next Page
To Next Page IconTo Next Page
To Previous Page IconTo Previous Page
To Previous Page IconTo Previous Page
Loading...
26
4.0 Boiler Settings






  






 
!
"
# $"
$%" 
&
 
#
"

"
'#  
(#
$)
$)*"
$+ 
,*
$+#$
$%*
$+#$
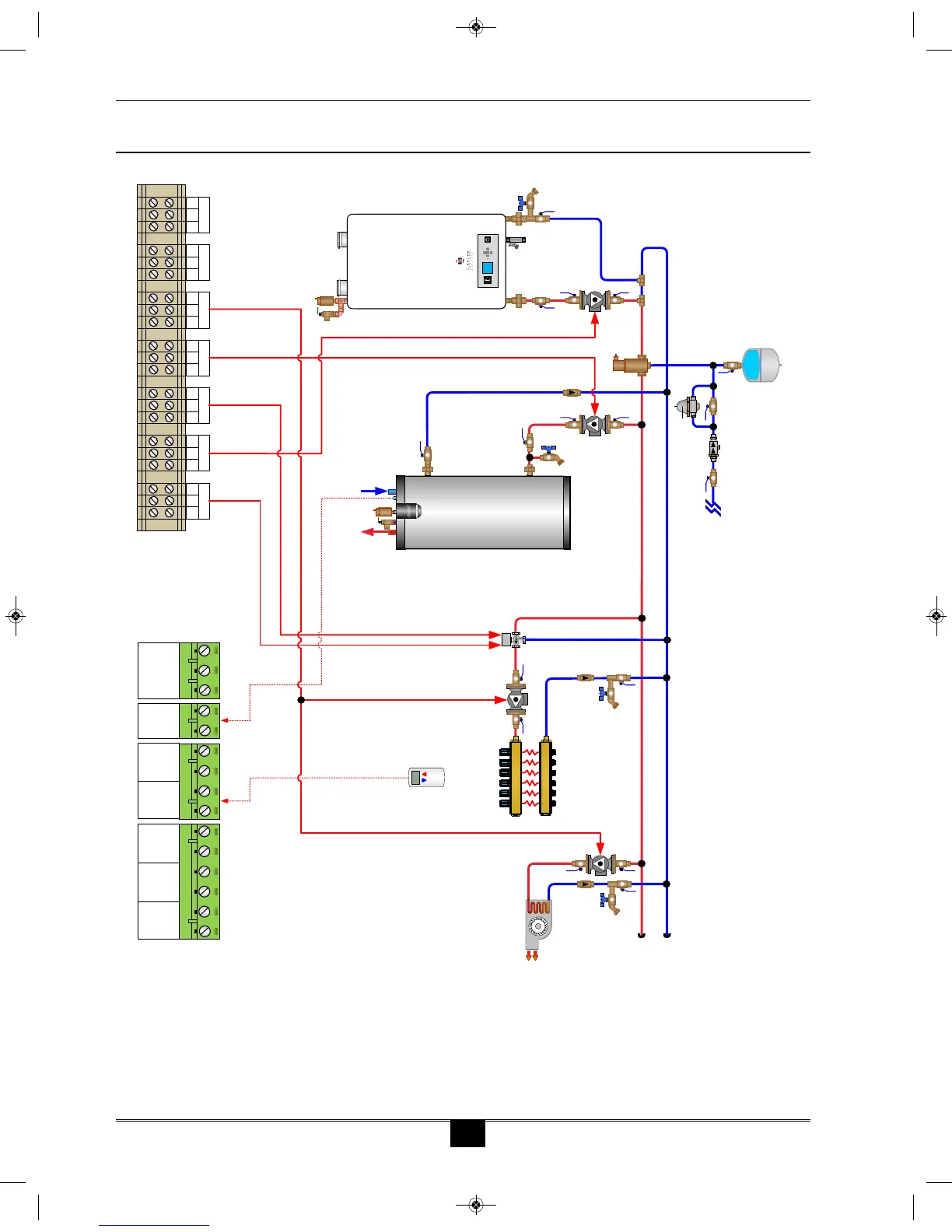
Fig. 10: System Piping with Solo Preset Config 9
Note:
This Configuration requires that the Low Temp Pump and High Temp Pump be connected in par-
allel to the CH Pump Relay. An isolation relay is may be used to ensure the CH Pump Relay will
not be overloaded during operation.
2015-10 Prestige ACVMax Control Sup 12-14-15_ACVMax_Control 12/15/15 7:37 AM Page 26

Table of Contents