EasyManua.ls Logo

ADS 310px - Dimension Drawings

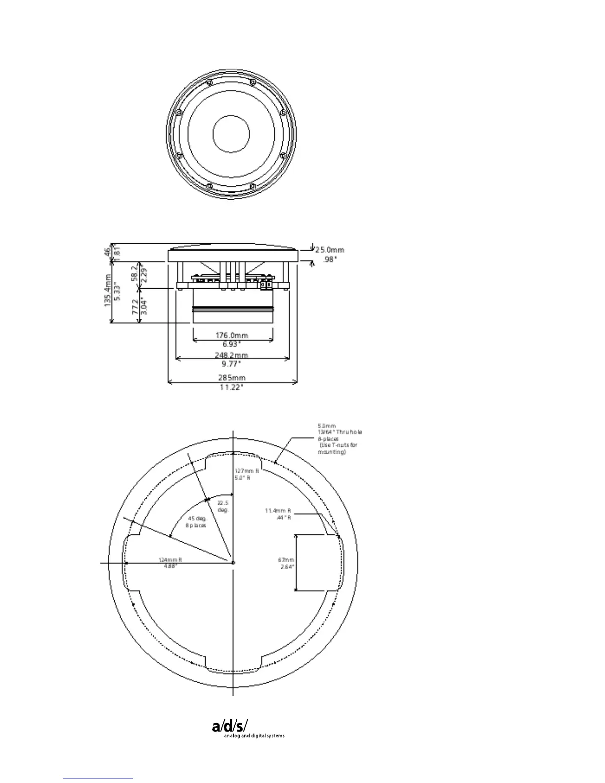
ADS 310px
12 pages
Print Icon
To Next Page IconTo Next Page
To Next Page IconTo Next Page
To Previous Page IconTo Previous Page
To Previous Page IconTo Previous Page
Loading...
9
dimension
drawings

Related product manuals