EasyManua.ls Logo

AEB COBRA AEB510N - Page 26

AEB COBRA AEB510N
Print Icon
To Next Page IconTo Next Page
To Next Page IconTo Next Page
To Previous Page IconTo Previous Page
To Previous Page IconTo Previous Page
Loading...
30 - 56
IS510N Rev. 200404-0
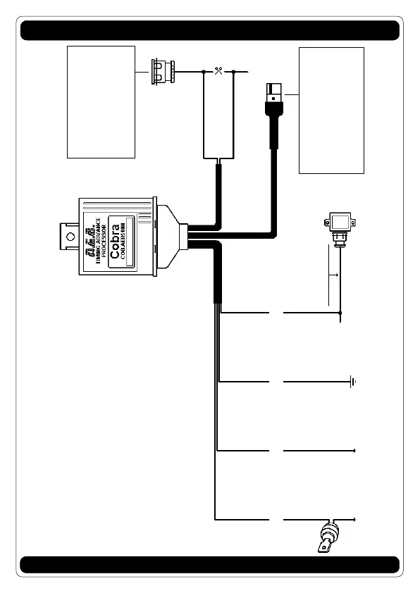
FIL
SIGNAL
+12 VOLT
SOUS CLE
POSITION GAZ
DU COMMUTATEUR
MASSE POTENTIOMETRE
PAPILLON
CONNECTEUR POUR LA
JONCTION DU
VARIATEUR AUX CABLES
D’INTERFACE DU
CAPTEUR DE POINT
MORT SUPERIEUR
ROUGE BLEU NOIR
BLEU-JAUNE
VERT-NOIR
VERT
FIL SIGNAL
CONNECTEUR DU
CAPTEUR DE PHASE
RELIER SEULEMENT
POUR CERTAINES
VOITURES
Schéma general pour l'installation
Français