EasyManua.ls Logo

AEB COBRA AEB510N - Page 34

AEB COBRA AEB510N
Print Icon
To Next Page IconTo Next Page
To Next Page IconTo Next Page
To Previous Page IconTo Previous Page
To Previous Page IconTo Previous Page
Loading...
40 - 56
IS510N Rev. 200404-0
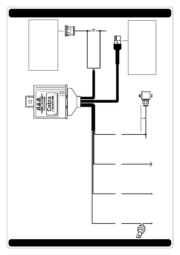
HILO
SENAL
+12 VOLTIOS
BAJO LLAVE
POSICION GAS
DEL CONMUTADOR
MASA POTENCIOMETRO
MARIPOSA
CONECTOR PARA
LA CONEXION DEL
VARIADOR A LOS
CABLES DE INTERFAZ
DEL SENSOR DE PUNTO
MUERTO SUPERIOR
ROJO AZUL NEGRO
AZUL-AMARILLO
VERDE-NEGRO
VERDE
HILO SENAL
CONECTOR PARA
LA CONEXION DEL
VARIADOR AL SENSOR
DE FASE SOLO PARA
ALGUNOS COCHES
Esquema general para la instalación
Español