EasyManua.ls Logo

AERMEC FCA 36 - Page 44

AERMEC FCA 36
48 pages
Print Icon
To Next Page IconTo Next Page
To Next Page IconTo Next Page
To Previous Page IconTo Previous Page
To Previous Page IconTo Previous Page
Loading...
44
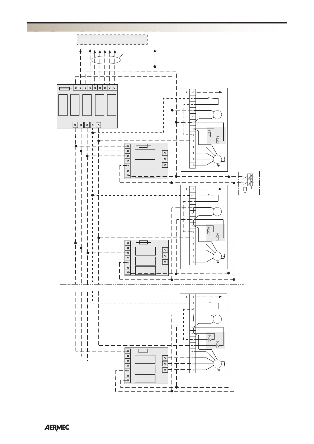
SCHEMI ELETTRICI • WIRING DIAGRAMS • SCHEMAS ELECTRIQUES • SCHALTPLÄNE • ESQUEMAS ELÉCTRICOS
Gli schemi elettrici sono soggetti ad un continuo aggiornamento, è obbligatorio quindi fare riferimento a quelli a bordo macchina.
All wiring diagrams are constantly updated. Please refer to the ones supplied with the unit.
Nos schémas électriques étant constamment mis à jour, il faut absolument se référer à ceux fournis à bord de nos appareils.
Die Schaltpläne werden ständig aktualisiert, deswegen muss man sich stets auf das mit dem Gerät gelieferte Schaltschema beziehen.
El cableado de las máquinas es sometido a actualizaciones constantes. Por favor, para cada unidad hagan referencia a los esquemas suministrados con la misma.
23OV 50Hz
LN
IG
V1
V2
V3
V1
V2
V3
L
L
N
N
V1
V2
V3
V1
V2
V3
L
L
N
N
4A
SIT3/2
SIT3/1
V1
V2
V3
V1
V2
V3
L
L
N
N
SIT3/n°
F
2A
F
2A
F
2A
GR
NE
MA
RO
BL
MA
MA
BL
BL
MA NE NE
MV
MP
VHA
AMP
V1
V2 V3 V4 Y1 Y2 N N L L EX M
PE
GR
NE
MA
RO
BL
MA
MA
BL
BL
MA NE NE
MV
MP
VHA
AMP
V1
V2 V3 V4 Y1 Y2 N N L L
EX
M
PE
GR
NE
MA
RO
BL
MA
MA
BL
BL
MA NE NE
MV
MP
VHA
AMP
V1
V2 V3 V4 Y1 Y2 N N L L EX M
PE
V1
V2
V3
V1
V2
V3
PH
L
N
N
SIT5
Y1
Y2
Y1
Y2
F
VHA1
VHA1
VHA1
BL
BL
BL
FCA /n°
FCA / 2
FCA / 1
N
L
V1
V3
V2
Y1
electronic panel
PE
d = 15m MAX
L
N
Y2
SIT3
SIT5
FCA 32 - 34 - 36 - 38 - 42 - 44 - 62 - 64
VHA + VHA1

Other manuals for AERMEC FCA 36

Related product manuals