EasyManua.ls Logo

AERMEC NRW 107 E - Page 53

AERMEC NRW 107 E
64 pages
Print Icon
To Next Page IconTo Next Page
To Next Page IconTo Next Page
To Previous Page IconTo Previous Page
To Previous Page IconTo Previous Page
Loading...
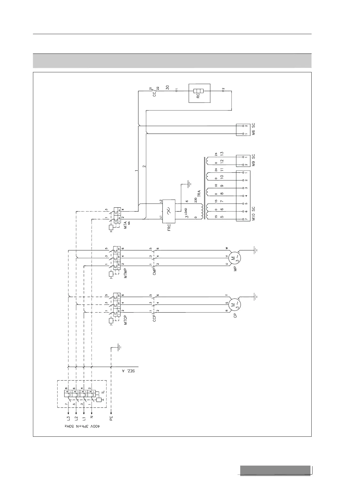
SCHEMI ELETTRICI • WIRING DIAGRAMS
NRWEA 57 - 77 - 107 - 127
Gli schemi elettrici sono soggetti ad aggiornamento; è opportuno fare riferimento allo schema elettrico allegato all'apparecchio.
Wiring diagrams may change for updating. It is therefore necessary to refer always to the wiring diagram inside the units.
COLLEGAMENTO ALIMENTAZIONE
POWER CONNECTIONS
NRW Cod. 6557920_02 53

Table of Contents

Related product manuals