EasyManua.ls Logo

Aerospool WT-9 Dynamic - SECTION 1 TECHNICAL DESCRIPTION

Default Icon
10 pages
Print Icon
To Next Page IconTo Next Page
To Next Page IconTo Next Page
To Previous Page IconTo Previous Page
To Previous Page IconTo Previous Page
Loading...
MANUFACTURER
RECOMMENDATION
DV WT9 10B / 2019, Rev. 0
Sheet:
Sheets:
8
10
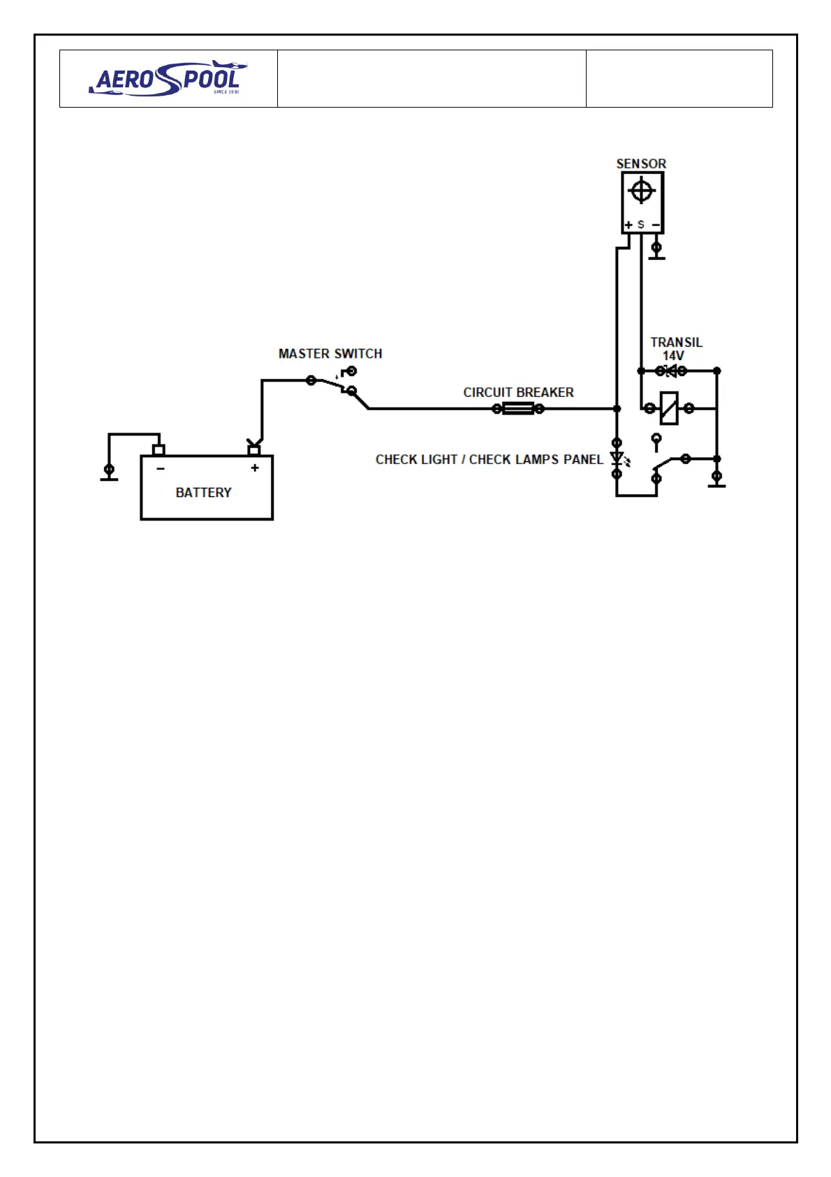
5. Wiring diagram
Fig. 10

Other manuals for Aerospool WT-9 Dynamic

Related product manuals