EasyManua.ls Logo

AFRISO WMS-WP6 - 4.2 Dimensions and connections

AFRISO WMS-WP6
25 pages
Print Icon
To Next Page IconTo Next Page
To Next Page IconTo Next Page
To Previous Page IconTo Previous Page
To Previous Page IconTo Previous Page
Loading...
9
Product description
EN
WMS-WP6
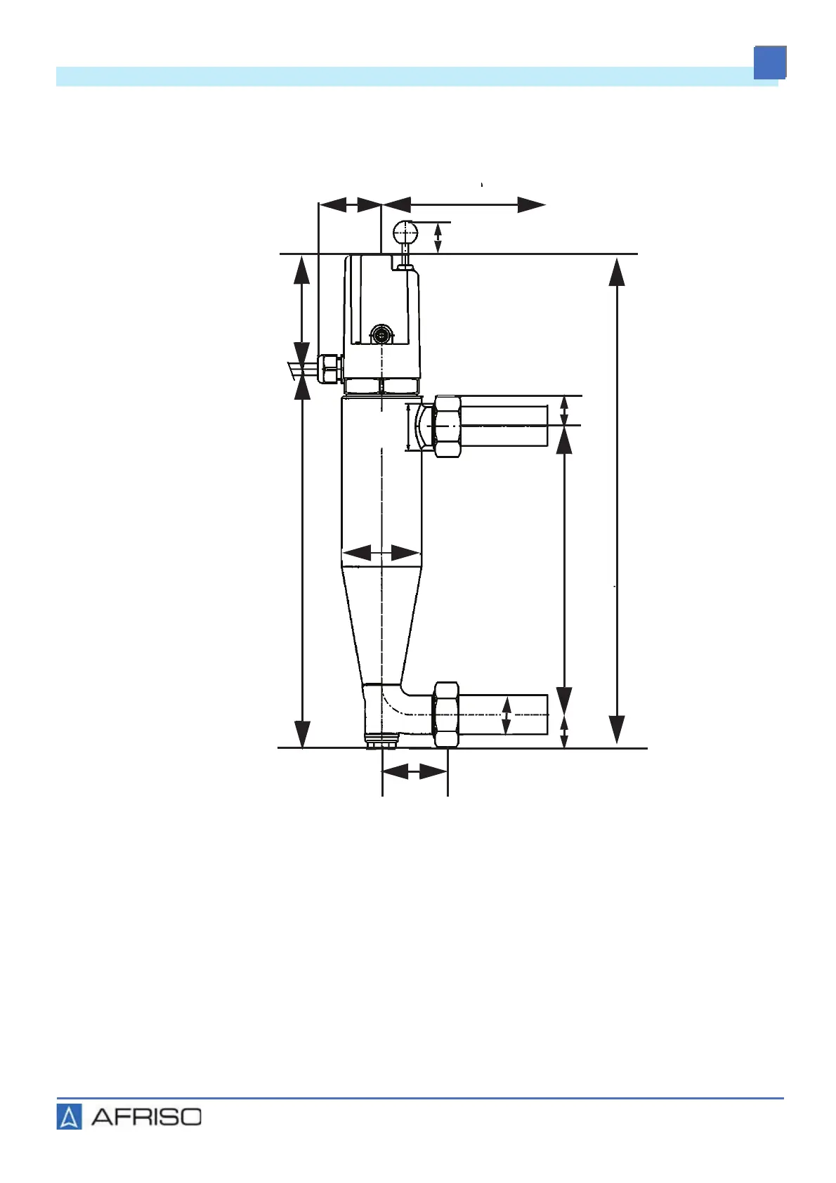
4.2 Dimensions and connections
Fig. 3: WMS-WP6
335 mm
257.5 mm
77.5 mm
195 mm
54 mm
26.5 mm
20 mm
*
23 mm
112 mm
43 mm
PP
PP