EasyManua.ls Logo

AGP DM52D - Page 16

AGP DM52D
20 pages
Print Icon
To Next Page IconTo Next Page
To Next Page IconTo Next Page
To Previous Page IconTo Previous Page
To Previous Page IconTo Previous Page
Loading...
16
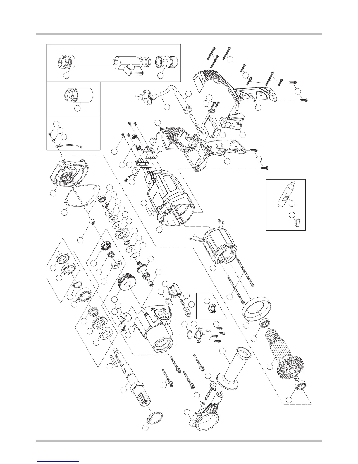
Pistol-Handle Model Exploded View
20
21
14
15
16
18
22
23
24
25
26
27
36
38
37
36
35
34
33
32
40
41
53
52
51
50
48
47
45
44
43
42
3057
58
59
60
61
62
63
64
73
56
68
69
70
71
NO.01~78 V1.0
49
75
76
74
39
66
55
54
31
17
77
19
29
28
19
B
E
GF
65
13
06
13
09
10
11
04
05
03
08
12
72
C
D
78
H
01
07
02
A

Related product manuals