EasyManua.ls Logo

Airquality TH-920DTX - Page 7

Airquality TH-920DTX
7 pages
Print Icon
To Previous Page IconTo Previous Page
To Previous Page IconTo Previous Page
Loading...
DANGER
Electric Shock Or Fire Hazard
READ ALL WIRE SIZING, VOLTAGE REQUIREMENT AND SAFETY
DATA AVOID PROPERTY DAMAGE AND PERSONAL INJURY
S
A
V
E
T
H
E
S
E
I
N
S
T
R
U
C
T
I
O
N
S
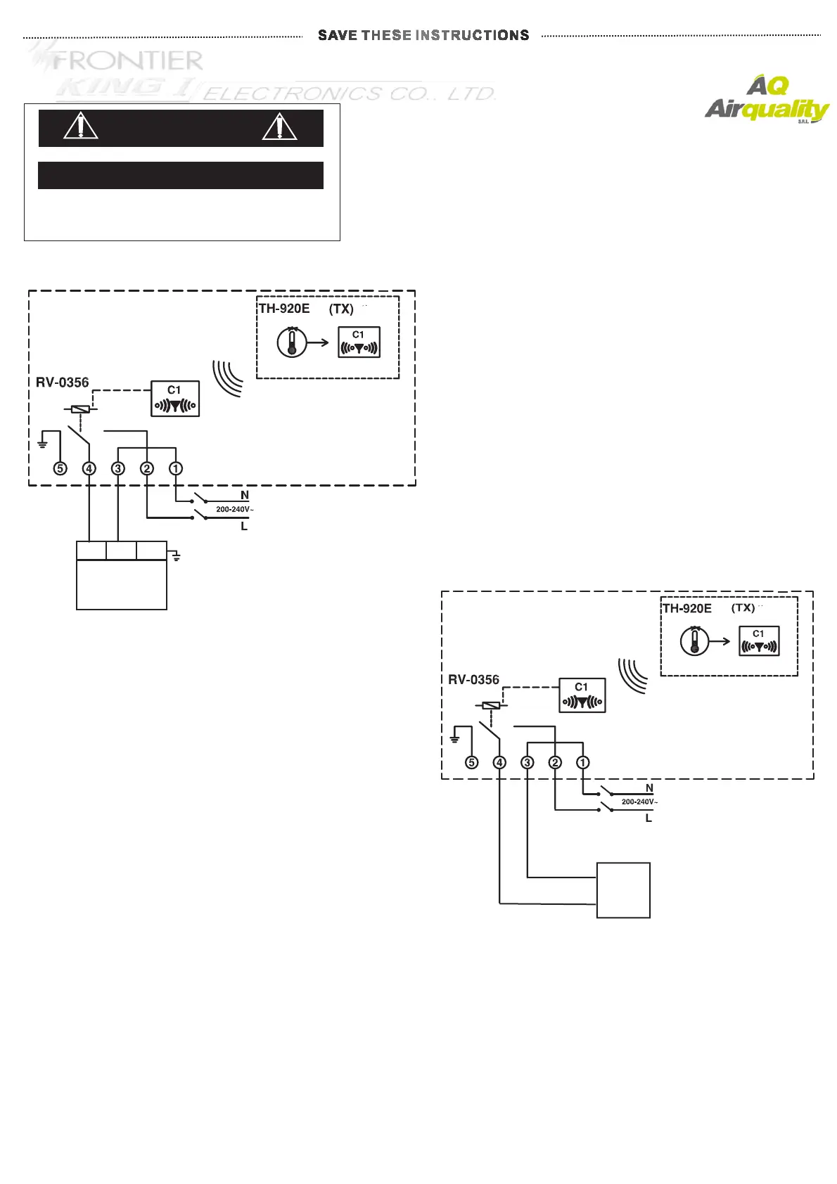
PROPOSED WIRING APPLICATION RV-0356H
230Vac
Fused <16 Amp
(RX)
Heating
Elements
/ D
NL
230Vac
Fused <16 Amp
(RX)
BOILER
/ D