EasyManua.ls Logo

Airquality TH-920DTX - Page 6

Airquality TH-920DTX
7 pages
Print Icon
To Next Page IconTo Next Page
To Next Page IconTo Next Page
To Previous Page IconTo Previous Page
To Previous Page IconTo Previous Page
Loading...
DANGER
Electric Shock Or Fire Hazard
READ ALL WIRE SIZING, VOLTAGE REQUIREMENT AND SAFETY
DATAAVOID PROPERTY DAMAGE AND PERSONAL INJURY
S
A
V
E
T
H
E
S
E
I
N
S
T
R
C
T
I
O
N
S
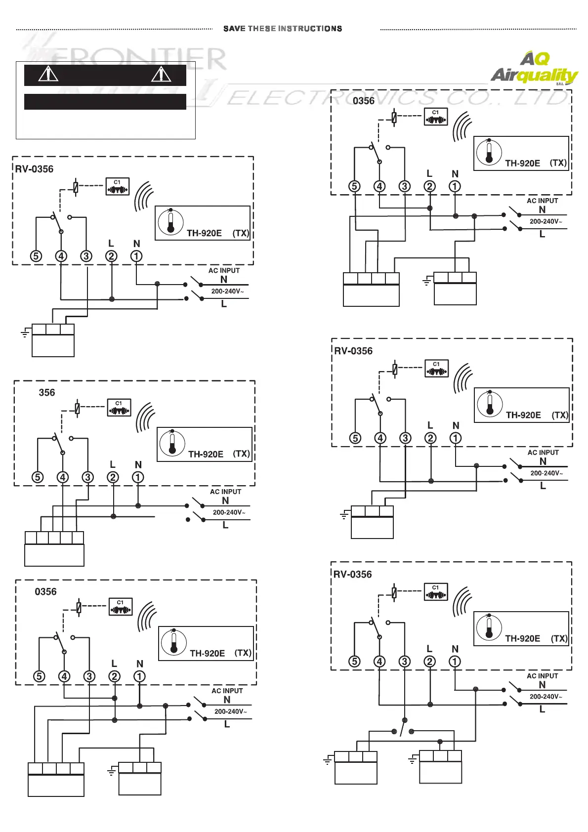
PROPOSED WRING APPLICATION RV-0356
230Vac
Fused < 16 AMP
TRANSMITTER
THERMOSTAT
230Vac Fused < 16 AMP
BOILER
TRANSMITTER
THERMOSTAT
RECEIVER
RECEIVER
/D
/D
230Vac Fused < 16 AMP
N
L
TRANSMITTER
THERMOSTAT
BOILER
RECEIVER
T1
T2
/D
N
L
COOLER
N
L
SM
ACUATOR
O
W
Y
BL
230Vac
Fused < 16 AMP
TRANSMITTER
THERMOSTAT
BOILER
RECEIVER
/D
N
L
SZ
ACUATOR
OBRGY
BL
SPRING RETURN ACTUATOR
MOTOR ON/OFF ACTUATOR
COMBI b
230Vac Fused < 16 AMP
TRANSMITTER
THERMOSTAT
RECEIVER
/D
N
L
BOILER
COMBI a
230Vac Fused < 16 AMP
TRANSMITTER
THERMOSTAT
RECEIVER
/D
N
L
COOLER
N
L
BOILER
N
L
BOILER
WINTER
SUMMER
HEATER / COOLER
RV-
RV-
RV-
Cooler