EasyManua.ls Logo

Airthereal EVENING TIDE - Page 5

Airthereal EVENING TIDE
20 pages
Print Icon
To Next Page IconTo Next Page
To Next Page IconTo Next Page
To Previous Page IconTo Previous Page
To Previous Page IconTo Previous Page
Loading...
4
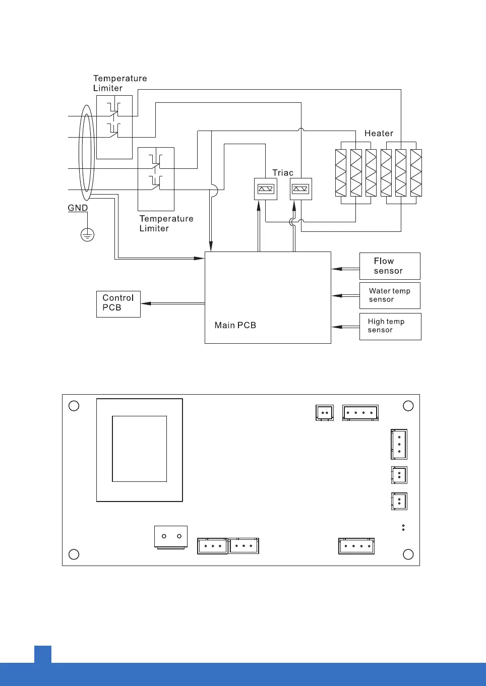
ELECTRICAL DIAGRAM
CONNECTION
DISP: Connection plug to display
FLOW: Connection plug to the flow sensor
IN: Connection plug to the input temperature sensor
OUT: Connection plug to the output temperature sensor
SCR1
POWER IN
SCR2
ISP
LEAKAGE
DISP
OUT
FLOW
IN
Overheat
L1
L1'
L2
L2'

Related product manuals