EasyManua.ls Logo

AIRTRONICS D2 - Page 33

AIRTRONICS D2
44 pages
Print Icon
To Next Page IconTo Next Page
To Next Page IconTo Next Page
To Previous Page IconTo Previous Page
To Previous Page IconTo Previous Page
Loading...
1-duct 2-duct
1 2 3 5
0,3 m 1 m
7
4
6
GENERAL TIPS ON HEATING AIR DUCTING AND COMPONENT RATINGS
A heater has the biggest heating air throughput when it can operate with the air blowing freely. Heating air ducting components reduce the throughput. To enable
you to check whether or not the installation you plan reduces the air throughput to an inadmissable degree, we have calculated a heater rating for each heater
and a component rating for each heating air ducting component:
0 = no temperature increase
- = no component rating
The sum of component ratings for the heating air ducting components must not exceed the heater rating, otherwise the outlet temperature will become too
high and trigger the safety cutout switch. If the sum of the component ratings exceeds the heater rating, it can be reduced by selecting a larger diameter for
the air ducting parts.
Rule of Thumb:
Double the cross-section or two identical components running parallel = 1/4 of the rating.
Example:
50 diameter hose
A = 19.6 cm2, R rating 1.0
75 diameter hose The component rating of smooth welded pipes is only half that of exible pipe of equal diameter
A = 44.2 cm2, R rating 0.25 (e.g. double the pipe length).
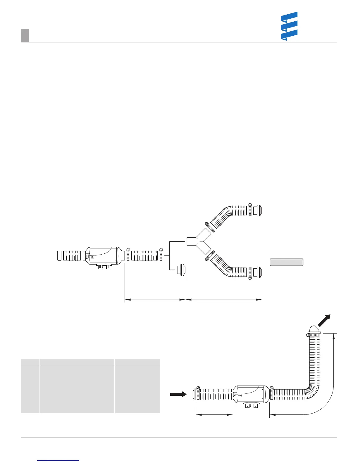
MAIN-LINE DRAWING FOR 1-DUCT AND 2-DUCT HEATING AIR SYSTEM
1-duct means:
A heating duct leads to or from heater. The
component ratings under “1-duct” are valid.
Example of Heating Air Ducting for AIRTRONIC D2
Heater Rating = 6
Item Designation Component Rating
1 Protective grille 0.5
2 Connection piece 60mm dia. 0
3 Flex. pipe, 60mm dia. 0.3m long 0.3
4 Flex. pipe, 60mm dia, 1.0m long 1.0
5 Reduction hood 60mm straight 0
6 1 x 90° bends of ex. pipe 0.2
7 Swivel outlet 3.2
Total Component Rating 5.2
Rating sum = 5.2 and does not exceed the heater rating of 6. The installation is permissable.
REVISION LEVEL A - 09/09/15
DUCTING RATING GUIDE
33
8
2-duct means:
The heating air line branches into
two ducts after the heater. Up to
the branch the component ratings
under “1-duct” are valid, after the
branch they fall under “2-duct”. If
an adjustable outlet is used in the
2-duct heating system, one duct
must be unclosable.
When determining the sum of the
component ratings, do not take the
closable duct into consideration.
PLEASE NOTE!