EasyManua.ls Logo

AJS 16MS - Page 126

Default Icon
130 pages
Print Icon
To Next Page IconTo Next Page
To Next Page IconTo Next Page
To Previous Page IconTo Previous Page
To Previous Page IconTo Previous Page
Loading...
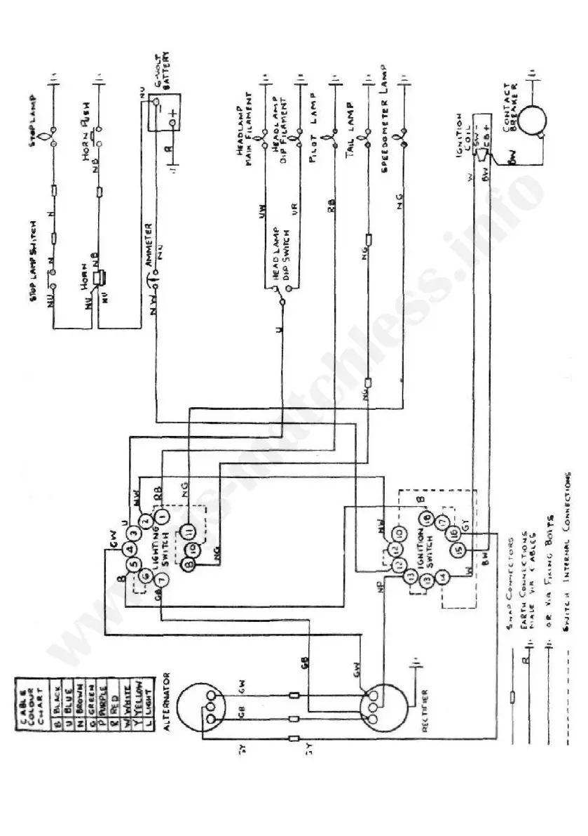
FIG 37 1960-66 models
SINGLE CYLINDER MODELS
125
www.ajs-matchless.info

Other manuals for AJS 16MS

Related product manuals