EasyManua.ls Logo

Akai 1710W

Akai 1710W
44 pages
To Previous Page IconTo Previous Page
To Previous Page IconTo Previous Page
Loading...
J2b
O
LINE
OUTPUT
J3c
REC/PB
DIN
OUT
‘7
b)
V2
6AR5
3
;
7
°
LEFT
i
a
s
She
aero
EXTERNAL
2a
ROG
,4,
10
SPEAKERS
x
:
le
i,
[
5
Swe
Vi]
Ja
3
7
NB
O)
:
e
bs
SP.
a“
1
fe
12
A
ef
;
|
ae
OTS
«(INBAA
|
:
|
:
.
Sates
e
ce
x<—-
ROB
3.9K
!
|
i
Ce
0.01
413
j
cos
Me,
+
|
C)
7
|
0.0033
;
|
-
4
'
HEAD
PHONES
Cc
:
J5
DIN
J3
Wp
:
B
°
50
——60
J3b0
REC/PB
DINOUT
ogee
LINE
OUTPUT
I?
O
:
.
Ac.
Po
lala
2
©
QO
O
IGHT
FUSE
cae
exVER
NAL
1.5A
(100
~
120V)
:
a
SPEAKERS
1A
(200
~
240V)
°
TAPE
SPEED
a
LOW—HIGH
:
SP.
i
AUTOMATIC
SW
&
SW602
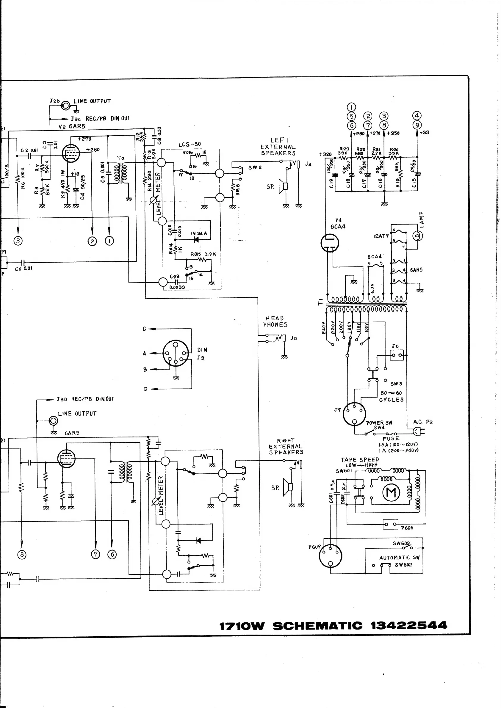
1710W
SCHEMATIC
13422544

Related product manuals