EasyManua.ls Logo

Akai M-9 - Page 37

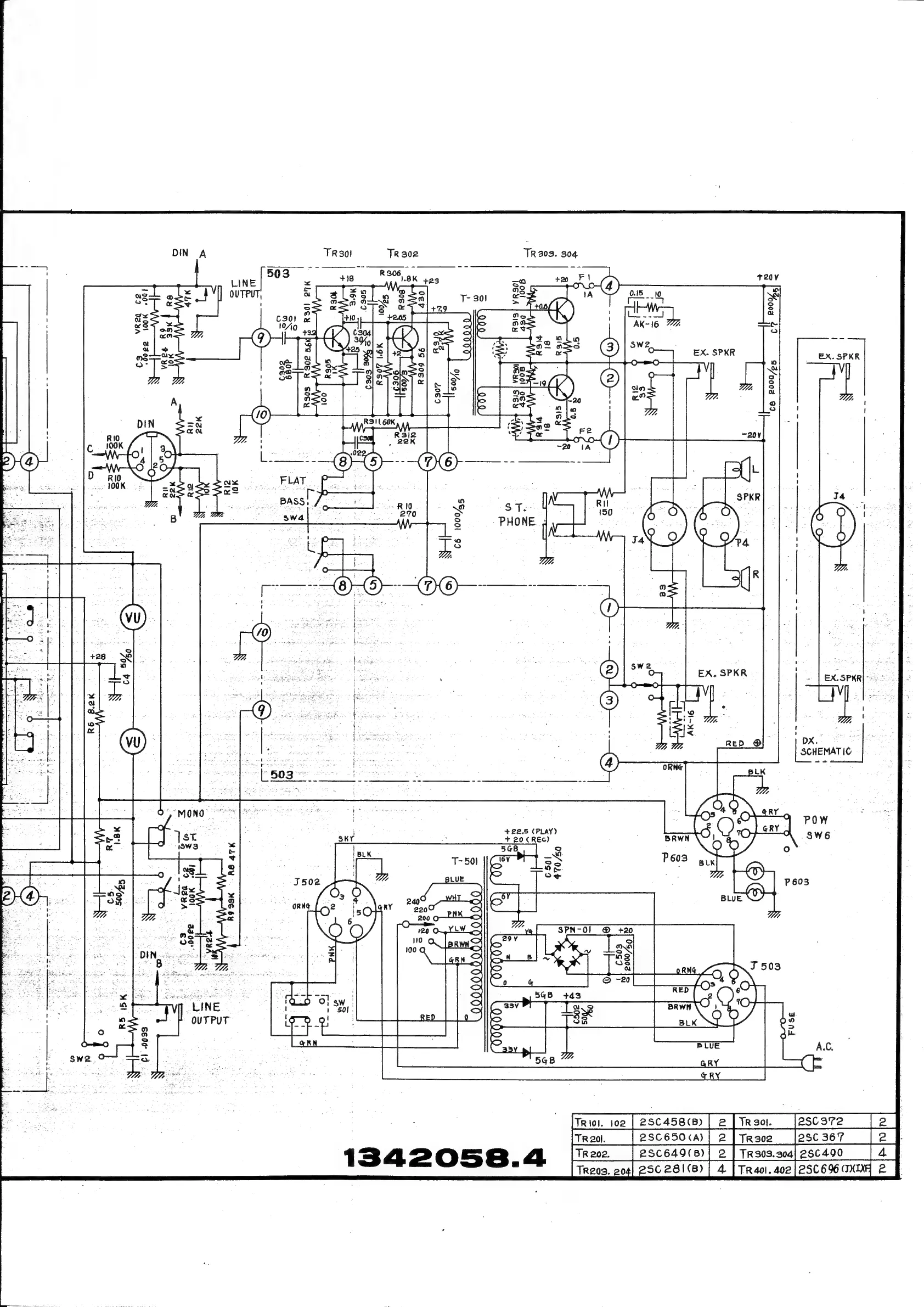
Akai M-9
41 pages
Print Icon
To Next Page IconTo Next Page
To Next Page IconTo Next Page
To Previous Page IconTo Previous Page
To Previous Page IconTo Previous Page
Loading...
DIN
A
TR
303.
304
'
'
503
LINE
=a
NS
OUTPUT,
R3I3/
YR
430
R303
R302
56x15
R301
27K
DX.
|
scuemaric
~
+22.5
(PLAY)
+
20
CREC)
oO
CO
@,
2000
'e
120
O
Lw
=
me
X
Tasn
oh
S
=>
oO
oO
ae
=
oO
=
OUTPUT
“¢l
0033
|
Freon.
_[esceso.a)|
2
[Teaco
lesc3e7
2
|
1IB42O05B8.
gy
[e22_[2:084910)|
2
[rates]
scao0
[4
|
0
OF
[Tacos
cog]
256
2616)]
4
|
Tran,
ane
[escoge
cmd
2
|