EasyManua.ls Logo

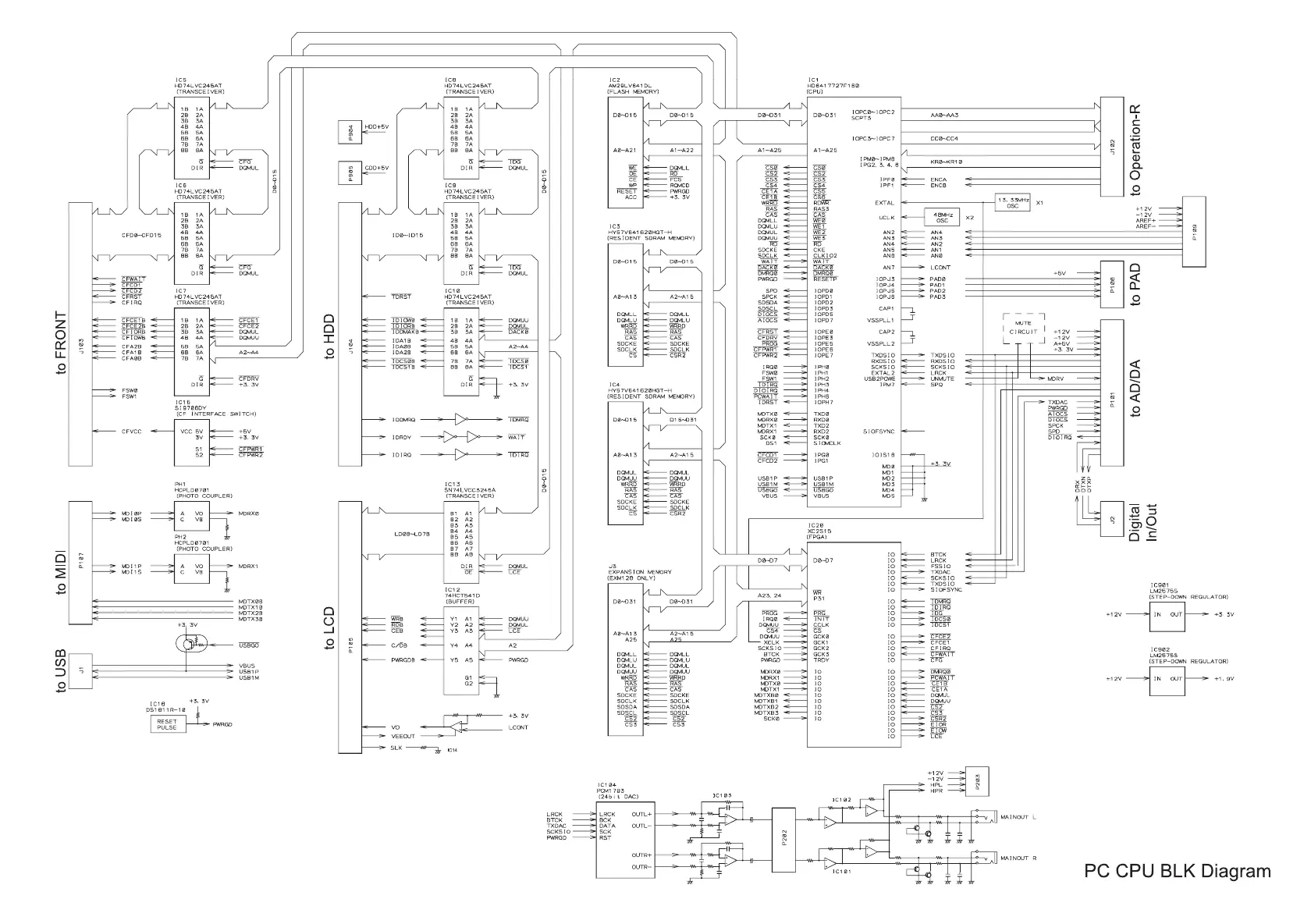
Akai MPC 2500 - PC CPU BLK Diagram; CPU Board Schematic

Akai MPC 2500
28 pages
Print Icon
To Next Page IconTo Next Page
To Next Page IconTo Next Page
To Previous Page IconTo Previous Page
To Previous Page IconTo Previous Page
Loading...
i5
:E
CFVCC
IC5
l-07<1-LVC245AT
(TRANSCEIVER)
IC5
I-IJ74LVC246AT
(TRANSCEIVER>
IC16
51970BDY
(CF
INTERFACE
SWITCH)
PH1
HCPLDB71111
(PHOTO
COJPLER)
+6V
+3.
~
.,.....,
~
~:=~
~MDRXO
HCPLD1!171Z11
(PHOTO COUPLER)
~::~
=fl=r
MDRX1
MDTX0B
MDTX1B
MDTX2B
t.1DTX3B
Cl
Cl
I
.9
Cl
0
...J
.9
I t
1~DD+5V
I
~
I
;DD+5V
i
ICO
HD74LVC245AT
(TRANSCEIVER)
IC9
HD74LVC245AT
CTRANSCE
I
VER>
IC10
,,,..,.
HD74LVC245AT
CTRANSCE
I VER)
~
OOMUU
OOMUL
=-•
=
IDA1B
IOAilB
A2-A4
IDA2B
TiSi:508
=
IOCS1B
""fiScsf"
I
DDMRQ
-----------1>--
~
IDRDV
IDIRQ
CAlB
PWRGDB
- WAIT
-----------1>--
=
IC13
SN74LVCC:524!1A
(TRANSC.E I
VER)
IC12
74HCTM1D
(BUFFER)
DOMUU
DOMUL
=
A2
""RGD
+o.
,v
VO LCONT
VEEOUT
SLK
~
IC14
0
I
0
~
LRCK
BTCK
TXDAC
SCKSIO
P,VRGD
,c,
HV67V641
62IZIHGT-H
(RES I
DENT
SO
RAM t.EMORV)
Dlil-016
A2-A15
DCM-L
~u
~
SOCKE
~~~K
IC<
HV57V64162111HGT-H
(RES I
DENT
SD RAM t.EMORY)
IC104
PCM17B5
(24-bl t DAC)
015-031
A2-A15
DGMA_
llGMJJ
""""
.....
=
SDCKE
SDCLK
=
Dllr031
IOPC0-IOPC2
SCOTS
IOPC3-IOPC7
A1-A26
IPM0-JPMB
ill"
IPG2.
5.
4..
B
gsJ
lPFl!I
]PF1
=
=
,.,.,,.
EXTAL
RAS3
CAS
w..-
~
AN2
WE3
AN3
.,.,
AN4
CKE
AN5
CLKI02
ANO
WAIT
=
AN7
,.,_
=
IOPJ3
ICPJ4-
IOPDlit
lOPJEi
IOPD1
IOPJ6
JOPD2
IOPD3
CAP1
IOPDEi
JOPD7 VSSPLL1
JOPEB
CAP2
IOPE3
JOPE6
VSSPLL2
JOPE6
IOPE7
TXDSIO
RXDSIO
,PHO
SCKSIO
IPH1
EXTAL2
IPH2
USB2PO.'JE
IPH,
IPM7
IPH4
IPH5
JOPH7
TXCO
RXCO
TXC2
RXC2
SJOFSYNC
SC'°
SICMCLK
IPG0
101S18
IPG1
""'
..,,
USB1P
""'
USB1M
""'
""""'
..,.
VBUS
""'
JO
DiHl7
JO
JO
JO
JO
JO
WR
Jo
P31
JO
JO
"""
JO
TITTr
Jo
CCLK
,0
~
GCK0 JO
OCK1
JO
OCK2
Jo
GCKO
JO
TROY JO
10
JO
10
JO
10
JO
10
JO
lo
Jo
,o
,0
10
JO
10
JO
10
JO
Jo
JO
JO
,.,..,.,.,,,
BTCK
LRCK
FSSIO
TXDAC
SCKSIO
TXDSIO
SIOFSVNc
~
mr
TocS0"
=
= CFCE1
CFIRQ
1'"l'Ri<IT
=
-
~
=
D<MJL
D<MJU
=
=
cSR2
E1i5R
""'"
=
X1
c::
I
C:
0
~
(I)
C.
0
.9
+12v
-12v
AREF+
AREF-
c3
0
<(
.9
1C901
LM2157EiS
(STEP-DOM-I
REGULATOR)
+1
XV
----e-----
+3
,v
IC902
L.M25755
(STEP-Oc:MN REGULATOR)
+1ZV
----e-----
+,.
av
PC CPU BLK Diagram

Other manuals for Akai MPC 2500

Related product manuals