EasyManua.ls Logo

Akai MPC 2500 - Page 27

Akai MPC 2500
28 pages
Print Icon
To Next Page IconTo Next Page
To Next Page IconTo Next Page
To Previous Page IconTo Previous Page
To Previous Page IconTo Previous Page
Loading...
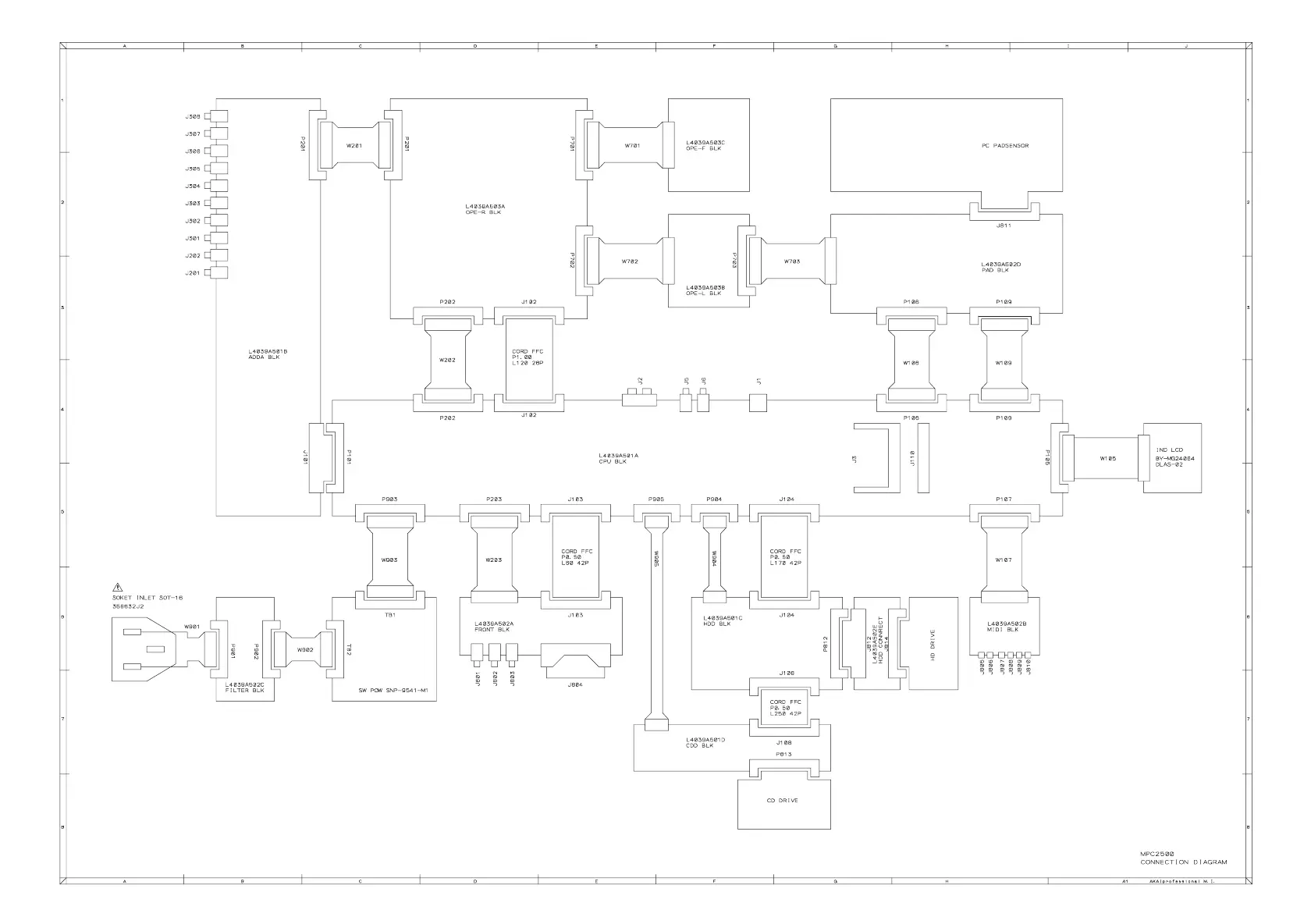
SOKET
INLET
SOT-16
L4039A501B
ADDA
BLK
L4039A603A
OF>E-R
9LK
L41!159A51!11A
CPU
SLK
L4039A603C
OF>E-F
BLK
L403BA601D
CDD
BLK
J108
]{
L4039A502D
PAD
BLK
L403BA502B
MIDI
BLK
ID
(D
I'
(D
a;J S
~~
~~~~
IND
LCD
BY-MG24064
DLAS-02
MPC2500
CONNECTION
DIAGRAM

Other manuals for Akai MPC 2500

Related product manuals